RTL-SDR这个电视棒接收器,只能接受22Mhz以上信号,无法收听中短波。
采用一个NE602制作上变频器成功。
NE602图片,未采用输入滤波,输出滤波(这个后面再完善)

制作过程中,先没焊接6,7脚的小电容,只有晶振,不起振。
后面C1=100/根号(F0);C2=1000/根号(F0). 参数别人的资料计算的。48Mhz晶体,对地22pf,6,7脚之间5pf或者10pf。
加上电容后,用小频谱仪看,起振了。而且基频是16Mhz的。没有抑制,有很多谐波。不知道是否影响效果和到处都是混频后的频率点。。。

收听效果,天线无滤波放大,直接一条长线的结果。能听清。噪声大。
有个问题,昨天输入我直接接天线没有用电容,还不起作用,没有信号。后面加上683pf瓷片电容,出来声音了。
资料说输入阻抗是1-1.5K,要根据天线进行匹配,目前并未做这个匹配,先测试基本可用再捣鼓。
比如阻抗匹配,LNA,窄带滤波,输入和输出的谐振滤波,带通。等等。
初步总结:rtl–sdr用一根天线收听有好几个问题。1.长线天线在不同频率的阻抗差异太大,从几十欧姆到数千欧姆。需要精准的阻抗变换。另外NE602做上变频的话,它输入阻抗是1k到1.5k,这个需要精准匹配才行,输出也需要匹配到sdr的50或者75欧,不是随便混频出和频就行。2.前级缺少窄带滤波势必很多信号同时进入,影响效果,特别是混频后各种差频和频还有晶振倍频产生的一些东西必须精准过滤。3.某些频率点信号强度不够,需要LNA放大后再接收。信号太小dsp和电视棒的效果都很差,而且它内部无能为力。
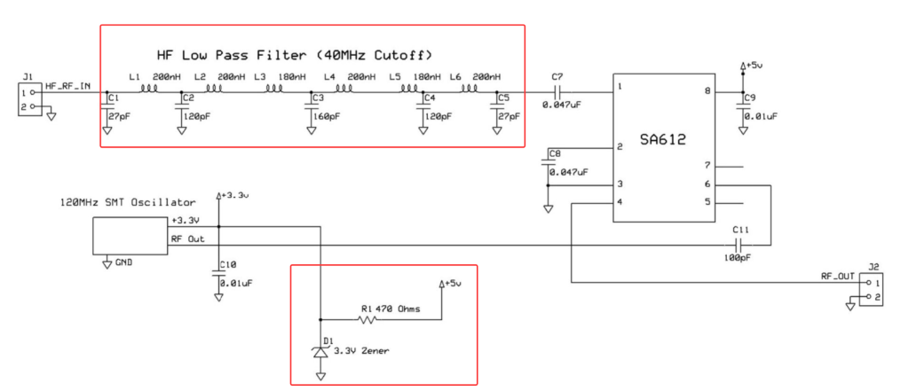
最后应一个朋友要求,放上电路图

另外一个网图,借用一下,可以参考

但是这个图。
1)首先初次制作不要制作滤波。滤波中L2,3,L4,5这个电感明显不对。自己懂可以自己仿真并用贴片电感,电容制作,如果有电感表或者自己会制作滤波器。可以制作手绕电感的滤波器。
2)滤波器之后再可以考虑接一极放大,直接外面收的无线信号是很弱的通常-60到-90dbm。直接混频不会有效果。
滤波:HF最好是3.0Mhz-30Mhz就行。3.0以下开关电源谐波等干扰比较大。如果是要中波,单独再考虑500-1700Khz这段的滤波。
3)有源晶振输出可能要接电阻衰减网络。据说sa612输入电平不能太大。
4)4脚输出是否接电容,值得考虑。4,5脚是平衡输出。最好用电容隔离输出。
