Skip to content

mis2erp.com技术分享

CHEN的技术博客:PB反编译大师,PB混淆加密大师,PowerBuilder,C++,电子技术,分享。。。

我的产品-点击浏览

  • PB反编译与PB加密
    • PB反编译大师,PB混淆加密大师详情页
    • Powerbuilder反编译/PB反编译
    • Powerbuilder混淆加密/PB混淆加密
    • PB datawindow连云服务器组件【Powerbuilder DatawindowHttp组件】
    • PB云主机数据库连接控件【Powerbuilder CloudDriver】
  • 数据库
    • 数据库教程
    • MSSQL
    • ORACLE
    • MYSQL/MariaDB
    • POSTGRESQL
  • 编程语言
    • Powerbuilder
    • C/C++/C#/C++Builder
    • HTML与CSS
    • JavaScript
    • PHP/Apache/Nginx
    • PYTHON
  • 电脑网络
    • 操作系统
    • 网络
    • 软件
    • 网站
  • 电子技术
    • AD画图
    • Multisim,Proteus,Filter solution,RFSIM,Smith,ADS,AWR,CST仿真
    • 射频滤波,巴伦,天调,阻抗转换
    • 射频信号源
    • 射频LNA
    • 射频功放
    • 无源天线、有源天线
    • 收音机与收发信机
    • 电子管
    • 电脑/家电/电源
    • 运放
    • 音频
    • 基础,器件,仪器
  • 科技科普
    • 物理
    • 声音
    • 钟表
    • 激光
    • 电类
    • 动物
    • 电学
  • 生活
    • 经济与投资
    • 家庭维修
    • 健康与锻炼
    • 童年玩具
  • 联系我
  • 动态网页(可搜索)
site mode button
Breaking News
  • 音频
    汽车音频滤波器,消除环路噪声
  • 未分类
    吊灯led灯珠修好很容易坏的处理
  • 电脑/家电/电源
    灯带维修的总结
  • 健康与锻炼
    热水袋热敷是一个很好的保健
  • 收音机与收发信机
    测试室内电磁干扰

汽车音频滤波器,消除环路噪声

2025 年 12 月 16 日2025 年 12 月 16 日admin

拆解了一个汽车改装用的音频滤波器,主要作用说的消除环路的电流噪声。 拆解分析就是一个声道一个EE20的变压器。 […]

Continue Reading

吊灯led灯珠修好很容易坏的处理

2025 年 12 月 16 日2025 年 12 月 17 日admin

吊灯周围四周有一种暖色调的led灯珠,很少打开,但是没有几次就坏了。 修复后使用几天甚至半天,就又烧坏了。 分 […]

Continue Reading

灯带维修的总结

2025 年 12 月 16 日2025 年 12 月 16 日admin

灯带是220v直接供电的,测试发现接头部分的是一个整流器。因为从输出的任意一端对输入L,N是通的,压降0.7v […]

Continue Reading

热水袋热敷是一个很好的保健

2025 年 12 月 9 日2025 年 12 月 14 日admin

冬天,秋冬,经常接触这个冷水时,或者其他外出活动等等,接触冷水,冷空气,就算你穿的是三层棉袄,脚,手这种末端也 […]

Continue Reading

测试室内电磁干扰

2025 年 12 月 5 日2025 年 12 月 5 日admin

白天听收音机的中波,短波低段很大的调幅干扰。 今天特别测试了一下。 收音机中波靠近电线,开关,和地面(估计楼下 […]

Continue Reading

音频低通滤波器(fuquan RCA汽车低通音频滤波器)测试

2025 年 11 月 26 日2025 年 11 月 27 日admin

得到一个音频用的低通滤波器。滤除音源输出来的信号传输到功放的过程中带入的开关电源和其他噪声的影响。这个在当下开 […]

Continue Reading

AD导入dxf时报:in module “LoadDXF.dl!. Read of addressFFFFFFFFFFFFFFFF 错误

2025 年 11 月 22 日2025 年 11 月 22 日admin

Access violation at address 000000018364058F in module […]

Continue Reading

学习Filter Solutions仿真分布式微带滤波器

2025 年 11 月 21 日2025 年 11 月 21 日admin

目前主要学习filter solutions和ads对比看看。 filter solutions,就是简单直接 […]

Continue Reading

收听和学习摩尔斯的电台推荐

2025 年 11 月 20 日2025 年 11 月 20 日admin

很多人想学习摩尔斯,但是都是用手机摩尔斯app解码。我们需要达到专业发报员的水平。能抄收很快的发报速度,需要长 […]

Continue Reading

听海岸台的一些经验

2025 年 11 月 20 日2025 年 11 月 20 日admin

海岸台实际收听,效果不错。 1。比业余电台的强度大,容易白天听到。而且比业余电台容易太多找到信号。 2。信号稳 […]

Continue Reading

贴墙下垂短波天线

2025 年 11 月 20 日2025 年 11 月 20 日admin

条件所限,有个朝向比较宽敞面对天空。但是,墙面比较窄。下垂的话在人家窗户面前晃来晃去的行不通。 我采用贴墙的方 […]

Continue Reading

收音机要良好接收短波的条件

2025 年 11 月 20 日2025 年 11 月 20 日admin

最近捣鼓了很多次天线,阻抗匹配。总结了一点经验。 短波收音机如果要良好的接收业余频段,接收海岸台,这些微弱信号 […]

Continue Reading

SG174 20米线的线损测试

2025 年 11 月 6 日2025 年 11 月 6 日admin

1M到3G 1M到100MHZ,将就可用。当然这是在这个20米的尺度来说的,用的短没事。 用的长成本会升高。比 […]

Continue Reading

养小金鱼的总结

2025 年 11 月 2 日2025 年 12 月 7 日admin

1。缸体小,不能养大鱼,不能多养鱼。 2。小鱼的饲料不能太多,每天两三粒,多喂有的鱼容易争食,胀死。 3。低温 […]

Continue Reading

喜马拉雅下载的英语听力如何保存为mp3听

2025 年 10 月 28 日2025 年 10 月 28 日admin

有mp3,mp4设备要听听力。 搜索在喜马拉雅下载有配套的教程。还不错。单词,课文都有。 唯独无法保存和查询到 […]

Continue Reading

我们身边的频谱2

2025 年 10 月 26 日2025 年 10 月 26 日admin

今天测试了一下频谱仪从500Khz-12Ghz的频谱。 因为看说明书,这个小频谱能将就用到12Ghz。我来测试 […]

Continue Reading

Expression ‘X’ is already defined in file ”, at or just before line ’43’.

2025 年 10 月 25 日2025 年 10 月 25 日admin
Continue Reading

对fm调频和航空波段频谱的测定和一些结论

2025 年 10 月 22 日2025 年 10 月 22 日admin

今天用窗外0.75米对称偶极天线,倾斜极化。分别测试了fm和航空波段的场强。得到一些结论。 fm 从这个测试看 […]

Continue Reading

本地地面波数字电视的实测

2025 年 10 月 21 日2025 年 10 月 21 日admin

场强 房间窗户处棒子天线测试-75到-80之间。只能收到3个频点,但是只能有两个频点解析出节目。 今天到一个山 […]

Continue Reading

焊铝实验

2025 年 10 月 20 日2025 年 10 月 23 日admin

想在铝外壳上面焊接,用于就近连接电路板。 我曾经看到一个外壳是六个铝接地柱直接焊接到电路板的。这样的接触电阻和 […]

Continue Reading

用电视棒接收地面波DTMB的测试

2025 年 10 月 20 日2025 年 10 月 20 日admin

今天咸鱼到一个“第一波道”的电视棒。 主要用于笔记本携带到室外,野外,楼顶,他市用于地面波的测试评估。 为之后 […]

Continue Reading

个人博客的百度检索数量突破

2025 年 10 月 20 日2025 年 10 月 20 日admin

自去年的九月份注册一个新域名搞一个个人博客站以来。 首先百度不释放新域名的网页,搞得这个新域名一年了只有一个主 […]

Continue Reading

这个pb加密器运行时在文件夹中露出原形

2025 年 10 月 13 日2025 年 10 月 13 日admin

不知道谁把思迅这个exe用大自在的加密器加密了一下。 今天看到文件夹中,出现了一个文件,是系统隐藏的,但是却是 […]

Continue Reading

用长线天线接收地面波电视测试

2025 年 10 月 13 日2025 年 10 月 13 日admin

同一条长线,水平大概15米,一边对南方,一边对西方。 用一个tv头转sma,接一根50欧同轴线,引到窗外,连接 […]

Continue Reading

电路板接地连接线的测试

2025 年 10 月 11 日2025 年 10 月 11 日admin

电路板顶部和底部的四周是接地,上下对称的,但是中间可以用细线再连接起来,构成”日”,& […]

Continue Reading

尝试接受地面波DTMB电视信号

2025 年 10 月 11 日2025 年 10 月 11 日admin

打开电视,如果带有“数字电视”就可以直接收,唯一的需要一个天线,场强够的地方,甚至一条断线插入中心孔即可。 我 […]

Continue Reading

给铝盒盖板开孔的方法

2025 年 10 月 11 日2025 年 10 月 11 日admin

这个铝盒是网上买的,因为是大量公版生产,成本价格很低。 但是要定制加工,比如定制长度,定制螺丝孔,开一些面板的 […]

Continue Reading

pb的setlibrarylist支持dll,pbl,pbd三种格式

2025 年 10 月 11 日2025 年 10 月 11 日admin

今天用pb decompiler,即pb反编译大师处理一个旧项目,反编译时提示缺少一个pbd,结果搜索之后发现 […]

Continue Reading

为什么收音机中频滤波器效果不好

2025 年 9 月 27 日2025 年 9 月 27 日admin

之前我测试到到1080khz中波,通过外置长天线提升接收灵敏度,可以听到5Mhz的标准时间摩尔斯(R9012测 […]

Continue Reading

门把手换方向90度

2025 年 9 月 20 日2025 年 9 月 20 日admin

门把手才买回来时,是与盖板相同方向的,是为了方便包装。 也不是网上介绍的那样,要取下Ω的卡圈旋转方向。只需要用 […]

Continue Reading

LC滤波器为何经常用奇次阶

2025 年 9 月 19 日2025 年 9 月 19 日admin

奇次,对称,制作元器件省时省力。 偶数。没有同一规格的元器件。

Continue Reading

天调匹配的几种方式优劣对比

2025 年 9 月 14 日2025 年 9 月 16 日admin

天调,手动天调,有几种匹配方式,比如在右上方(感抗) 1)并电容,再串电感。 缺点:如果纯手工操作,以收听来说 […]

Continue Reading

家用电源的几个有趣的改进

2025 年 9 月 13 日2025 年 9 月 27 日admin

1)一个使用铅酸电池的手电筒,设计的挺好的,家庭必备,有时夏天停电用到,或者需要应急照明,这个灯是4v3000 […]

Continue Reading

德生PL600无法充满电池的现象

2025 年 9 月 12 日2025 年 9 月 12 日admin

之前购买二手收音机PL450得到一个充电器DC-06,我给PL600使用,使用是正常,不过出现充电几分钟就充满 […]

Continue Reading

中短波室内噪声干扰源测试

2025 年 9 月 11 日2025 年 9 月 11 日admin

用收音机的长波,中波,短波进行测试。 其中长波,中波是用的磁棒,接收的是磁信号,短波为拉杆,接收的电场信号。 […]

Continue Reading

长天线的特点和效果

2025 年 9 月 11 日2025 年 9 月 11 日admin

今天从楼顶下垂架设了一条70米的细漆包丝天线。 下垂的位置是无窗的大概5米宽的一扇墙。 用于测试中,短波接收效 […]

Continue Reading

电波的屏蔽

2025 年 9 月 9 日2025 年 9 月 9 日admin

防盗窗可以屏蔽中波,短波,调频,无法屏蔽对讲机信号,手机信号。 微波炉的观察窗可以屏蔽2.4Ghz的辐射。 今 […]

Continue Reading

经典天线放大器UPC1651对调频的放大效果

2025 年 9 月 2 日2025 年 9 月 2 日admin

今天测试了经典的upc1651对调频信号的放大效果。 测试结果表面,对于使用1.4米拉杆天线,和三五米长线的室 […]

Continue Reading

新调五阶FM带通滤波器

2025 年 9 月 1 日2025 年 10 月 11 日admin

原理图仿真 这次调试,电容,电感都是新的,利用之前拆的一个滤波器的板子来做的。 S21 S11 今天再微调了一 […]

Continue Reading

电感表LC200A无法测准射频线圈的电感量

2025 年 8 月 29 日2025 年 8 月 29 日admin

射频线圈工作的频率太高,比如HF达到30M,fm达到100M,UHF达到860M。这样高的频率下,虽然线圈匝数 […]

Continue Reading

用指针万用表和数字万用表测水泵漏电

2025 年 8 月 28 日2025 年 8 月 28 日admin

之前写了一个文字说这个水泵漏电测试,用的人家的经验数据和视频截图:./4133.html 今天实测自己家里面的 […]

Continue Reading

如何缠防水胶布防水胶带

2025 年 8 月 28 日2025 年 8 月 28 日admin

昨天接水泵的线,第一次用防水胶带。 首先用电工胶分别缠火线和零线。并且分开一点距离。用胶再固定一下。 然后电工 […]

Continue Reading

电容表在线测试以及精确校准电容表

2025 年 8 月 28 日2025 年 8 月 28 日admin

电容表通常是测试单独的未焊接的电容,当然表笔或者夹子线就解决。 使用前先校准。就可以。 我这个LC200A电容 […]

Continue Reading

用网分如何测量LC谐振的频率和可调范围

2025 年 8 月 26 日2025 年 8 月 28 日admin

有网分在手上如何测试LC的谐振频率和线圈能改变的频率范围呢? 我进行了详细的测试,记录如下。 A)LC为串联模 […]

Continue Reading

被烙铁烫伤的处理

2025 年 8 月 26 日2025 年 8 月 26 日admin

昨天摸了冷的烙铁,结果插上电又去摸,幸好调温到200的。感觉两个手指都起锅巴了。 迅速不穿鞋都要马上去水龙头, […]

Continue Reading

个人技术博客经过一年时间更新某度出来86个页面

2025 年 8 月 26 日2025 年 8 月 26 日admin

从去年9月份开始,申请了一个新的域名来做个人博客,蛮以为能轻松收录。 不过现实不是很满意,某度对新的域名拒绝收 […]

Continue Reading

如何用万用表测潜水泵(或者其他电器)的绝缘电阻

2025 年 8 月 22 日2025 年 8 月 28 日admin

设备跳闸,漏电了。 摇表测试应该是大于0.5兆; 如果没有摇表,如何用万用表判定呢? 参考这个视频:https […]

Continue Reading

几种主要的LC滤波器的用途及特点区分

2025 年 8 月 21 日2025 年 8 月 24 日admin

初学总是找不着门。 常用的滤波器函数就三种,巴特沃斯,切比雪夫I型,椭圆。 备用的是高斯,贝塞尔。 高斯重视中 […]

Continue Reading

第四次调测100Mhz带通滤波器

2025 年 8 月 21 日2025 年 8 月 21 日admin

仍然是之前的三阶100Mhz带通滤波器,因为点胶造成偏差,把胶去除后,重新调试。 效果如下: S21还不错了。 […]

Continue Reading

手机电池鼓包

2025 年 8 月 21 日2025 年 8 月 21 日admin

今天一个旧手机电池鼓包,把后盖都撑开了。据说还有撑开屏幕的那种。 看不出多鼓,但是把两个排线都快撑断了。 查原 […]

Continue Reading

CST STUDIO Suite 的License Manager无法启动Start Service

2025 年 8 月 21 日2025 年 8 月 21 日admin

新安装后,加载lic,无法启动,看日志,是说无法使用这个端口。 考虑到才在系统环境变量里面设置了这个端口参数C […]

Continue Reading

LC滤波器线圈的稳定性

2025 年 8 月 20 日2025 年 8 月 20 日admin

实验和看别人的线圈实际触摸,摇动,测试结果为下: 要想线圈稳定,直径要小,圈数要少。 有个道理,钢筋长了都能弯 […]

Continue Reading

LC滤波器电感仿真设计时做到零件的尽量统一

2025 年 8 月 20 日2025 年 8 月 20 日admin

图示这个商品的LC带通滤波器,因为采用了比较多的阶数,所以电容和电感会比较多,制作难度会比较大。 但是它有个特 […]

Continue Reading

VMWARE虚拟化性能计数器至少需要一个可正常使用的计数器

2025 年 8 月 19 日2025 年 8 月 19 日admin

vmare运行昨天还正常的。 按其他人经验是要勾选,或者去勾:

Continue Reading

filter solutions运行是提示缺少vlrK3spa.dll

2025 年 8 月 19 日2025 年 8 月 19 日admin

从虚拟机复制过来,也是报错运行。然后该文件被删除。 我怀疑到杀毒。我360已经卸载,查看系统自带的杀毒。发现了 […]

Continue Reading

AWR(Microware Office)优化设计LC滤波器

2025 年 8 月 19 日2025 年 8 月 20 日admin

今天使用awr来优化lc滤波器的值,用于微调或者优化,或者按经验设计而不是按函数设计。实用性较广。比如左右不对 […]

Continue Reading

PowerBuilder从版本几开始支持PBD附加到项目的?

2025 年 8 月 19 日2025 年 8 月 19 日admin

PowerBuilder从‌版本8‌开始支持附加PBD文件。在此之前的版本(如5-7)无法直接附加PBD文件, […]

Continue Reading

信号传输用阻抗转换巴伦的参数要求

2025 年 8 月 17 日2025 年 8 月 17 日admin

信号传输用阻抗巴伦有两个作用,传信号,传功率。实现阻抗匹配而传输最大功率。 1)阻抗匹配,比如从450变到50 […]

Continue Reading

LC滤波器仿真的真正作用

2025 年 8 月 17 日2025 年 8 月 17 日admin

假设你仿真了一个并联电路,L=51nH,C=9.1pf, 你认为直接用这两个值安装上就成了。 非也。 安上用仪 […]

Continue Reading

根据LC滤波器仿真结果再优化成实际的参数

2025 年 8 月 15 日2025 年 8 月 16 日admin

前面我们文章写到实际的制作者往往采用成熟的方案,而非完全按照仿真结果来制作。 因为仿真结果离散,不容易制作。 […]

Continue Reading

滤波器的制作者会安装仿真软件给出的方案直接制作吗?

2025 年 8 月 15 日2025 年 8 月 15 日admin

有一些仿真,非常适合制作,制作者可以直接参考仿真电路图制作。 但是仿真的太过理想化,参数凌乱,参差不齐,势必造 […]

Continue Reading

LC滤波器当线圈电感量过大或者过小时遇到的问题

2025 年 8 月 14 日2025 年 8 月 14 日admin

实验调试LC滤波器。 仿真这个电感大的为800nh,小的为5nh。说一下调试的感受。 5nh时,对照网分,这个 […]

Continue Reading

高斯滤波器为何适合网分的带通滤波

2025 年 8 月 13 日2025 年 8 月 13 日admin

曾经看到森荣二书上写的,高斯滤波器用于决定网分的带通滤波。 今天仿真,突然明白,这个高斯型滤波器的s11带宽非 […]

Continue Reading

带通滤波器是对称的吗?

2025 年 8 月 13 日2025 年 8 月 13 日admin

如图所示这个滤波器,理论上是对称的,IN,OUT交换没问题。 我昨天遇到了一个奇怪的问题,调好的曲线,第二天看 […]

Continue Reading

两个滤波器串联的效果

2025 年 8 月 12 日2025 年 11 月 6 日admin

当一个带通滤波器100Mhz它非常好地处理了100Mhz附近的滤波。 但是缺点是,这些值的组合,只适合100M […]

Continue Reading

对高频蜡和704硅胶固定线圈的实验

2025 年 8 月 11 日2025 年 8 月 14 日admin

今天测试给调好的空心线圈加上高频蜡和704硅胶,防止松动和变形。但是需要测试一下对形变的影响。 实验一:高频蜡 […]

Continue Reading

第三次调测100Mhz带通滤波器

2025 年 8 月 11 日2025 年 8 月 11 日admin

之前diy自己割的板子,自己割的微带线。所以舍不得丢,第三次调测。 这次选择了非常粗的线径:1.0mm。线圈D […]

Continue Reading

4v铅酸电池充电实验

2025 年 8 月 11 日2025 年 8 月 11 日admin

电筒上面淘汰替换下了的电池,我实验来充满电,用于放大电路。 找了一条usb充电线,剪掉头子接电池。 测量usb […]

Continue Reading

测量LC的串并联谐振频率

2025 年 8 月 11 日2025 年 8 月 11 日admin

我们在制作切比雪夫I型和椭圆函数滤波器时,首次制作样品时,这个电容当然是可以很容易得到较为准确的值,就算是贴片 […]

Continue Reading

方波经过100Mhz带通滤波器后的效果

2025 年 8 月 11 日2025 年 8 月 11 日admin

现在频率比较高的输出信号源,比如有缘晶振等,我们无法要求其波形的纯净性。因为频率产生电路有各种实现的原理,比如 […]

Continue Reading

75欧同轴端子绝缘子图片

2025 年 8 月 10 日2025 年 8 月 10 日admin

很多75欧屏蔽盒上面自带外螺纹的丝口,就省去了外买端子,丝口跟外壳牢固结合为整体,减少了端子焊接的电阻和电感。 […]

Continue Reading

用铜片模仿极小电容器的实验

2025 年 8 月 10 日2025 年 8 月 10 日admin

在很多早期的无线电设备,比如UHF高频头,我们可以看到很多极小的铜片作为调整电容的例子, 有因为条件所限,当时 […]

Continue Reading

用频谱仪看滤波器的实际作用

2025 年 8 月 9 日2025 年 8 月 9 日admin

用网分产生单频信号,他是方波,有很多谐波。 滤波器特性如下。LPF。 滤除后的频谱 可以看到较低频率相当好。 […]

Continue Reading

空心线圈如何绕制,上锡,焊接

2025 年 8 月 9 日2025 年 8 月 9 日admin

1)电感计算工具进行计算 一般要根据电感量,线径,等综合考虑。曾用0.55绕过直径10mm的线圈,但是线圈不稳 […]

Continue Reading

空心线圈密绕和拉开时电感变量率

2025 年 8 月 9 日2025 年 8 月 9 日admin

我们经常需要绕空心线圈,这个密绕,分布电容较大。拉开Q提高,分布电容减少,电感量减少,也能精确调整到某个谐振频 […]

Continue Reading

用Filter solutions,ADS,AWR分别设计滤波器看差异

2025 年 8 月 9 日2025 年 9 月 18 日admin

今天学习设计一个200Mhz滤波器,因为之前实测到一个11阶的切比雪夫I型滤波器,200Mhz,在400Mhz […]

Continue Reading

滤波器采用的pcb厚度

2025 年 8 月 9 日2025 年 8 月 9 日admin

常规pcb厚度: 0.3mm、0.4mm、0.5mm、0.6mm、0.8mm、1.0mm、1.2mm、1.5m […]

Continue Reading

铝壳屏蔽盒与滤波器pcb的连接

2025 年 8 月 9 日2025 年 8 月 9 日admin

今天拆解了一个滤波器,它的端子是铸模的外螺纹,是跟铝壳为整体。 所以电路板的GND是通过焊接铝壳的6个焊接钉联 […]

Continue Reading

两支电感表的原理差异及其在线测电感的对比

2025 年 8 月 9 日2025 年 8 月 9 日admin

有这样一支滤波器,我想在线测试其电感(商品高频电感)。 发现,发现滨江BM4070表无法在线测出电感。显示为0 […]

Continue Reading

屏蔽盒盖对滤波器的影响

2025 年 8 月 7 日2025 年 8 月 7 日admin

1)调好的未加盖前 2)用一块很宽的金属板盖起来 1点这个位置变好,阻带部分变劣,高频部分变劣。 3)其他较窄 […]

Continue Reading

ADS如何导入S1P,S2P文件

2025 年 8 月 7 日2025 年 8 月 7 日admin

有时我们要用到其他仿真软件导出的曲线,测试的曲线,到ads中进一步工作。 1)新建原理图 2)点仿真 3)选择 […]

Continue Reading

ADS左边的零件窗口parts怎么打开

2025 年 8 月 7 日2025 年 8 月 7 日admin
Continue Reading

ADS:Please check for valid `Expr’ field in OptimGoal/YieldSpec item

2025 年 8 月 7 日2025 年 8 月 15 日admin

这个Goal优化目标中就是一个表达式。比如db(S(2,1)),然后是频率分段的值要求。 这个表达式通常容易写 […]

Continue Reading

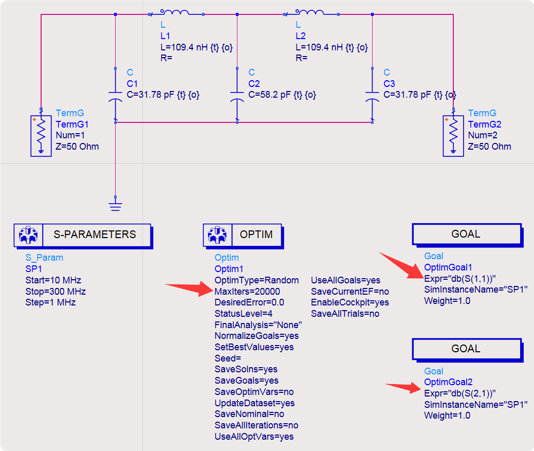
ADS中使用OPTIM的主要作用

2025 年 8 月 7 日2025 年 8 月 7 日admin

在一些简单的设计工具如filter solutions中,设计的比较理想,针对的也是一般化的滤波器,没有多少可 […]

Continue Reading

Filter solutions和ADS的Tuning的作用和局限性

2025 年 8 月 6 日2025 年 8 月 7 日admin

filter solutions和ads都支持设计好的电路基础之上进行微调。实时显示调整后的s21,s11. […]

Continue Reading

MPF102有源天线实做测试

2025 年 8 月 4 日2025 年 8 月 4 日admin

用RTL-SDR实际接收短波,发觉用QP直采或者NE602混频效果都不好,原因是短波直接输入的信号强度不够,中 […]

Continue Reading

有源晶振谐波,调频收音机本振频谱,镜像接收

2025 年 8 月 3 日2025 年 8 月 3 日admin

测试100Mhz有源晶振,谐波从100Mhz,200,300。。。直到1G多。 用调频收音机收听,在100Mh […]

Continue Reading

有源晶振输出功率以及谐波

2025 年 8 月 3 日2025 年 8 月 3 日admin

测试了一个100Mhz有源晶振,重点关注其输出功率和谐波情况。 1)电平 基频的输出电平在0dbm,我测试前害 […]

Continue Reading

过孔产生的等效电感电容

2025 年 8 月 2 日2025 年 8 月 2 日admin

高速信号时,一个导通孔产生1~4nH的电感,0.3~0.8pF的电容。 如何实际测试呢。 自己在同一款pcb上 […]

Continue Reading

RTL-SDR改QP通道直采的效果

2025 年 7 月 31 日2025 年 8 月 9 日admin

想测试一下RTL-SDR直采QP通道的效果。虽然之前做了上变频: 3310.html 1)RTL3842U的4 […]

Continue Reading

LC滤波器当端接阻抗不匹配时特性变化

2025 年 7 月 30 日2025 年 7 月 30 日admin

以书上这个例子,低通来看。 设置输入50,输出84.8 如果按两端50进行仿真 直观结果,带内带外都拉胯。 带 […]

Continue Reading

LC滤波器的发明年代和主要用途

2025 年 7 月 28 日2025 年 7 月 28 日admin

1917年美国和德国科学家分别发明了LC滤波器,次年导致了美国第一个多路复用系统的出现。 20世纪50年代无源 […]

Continue Reading

山地车如何调节变速器

2025 年 7 月 28 日2025 年 7 月 28 日admin

山地车有一个或者两个变速器。前变速比如三档,后变速比如七档位,组合而成多速。 前变速: 选择低档,链条摇到最小 […]

Continue Reading

路由器功率多大辐射大吗?

2025 年 7 月 27 日2025 年 7 月 27 日admin

今天群友问到这样一个问题,大家七嘴八舌。但是回答都是无根无据。 根据就是测量场强。 释出频谱仪。tinysa […]

Continue Reading

短波磁棒阻抗特性曲线

2025 年 7 月 26 日2025 年 7 月 26 日admin

测试了一下短波磁棒,绕了三匝,测试阻抗曲线。 线性度在3-21非常好,工作到30都没问题。 当然就想到另外一个 […]

Continue Reading

HDSDR收听设置

2025 年 7 月 26 日2025 年 7 月 26 日admin

1)下载软件和驱动 下载:zadig.akeo.ie/downloads/ 下载:hdsdr.de 下载:hd […]

Continue Reading

长线天线听航空频道

2025 年 7 月 25 日2025 年 7 月 25 日admin

今天换长线天线阳台的位置接入sdr,实际收听信号强一些。 有这个强度很不错了。我准备做个航空波段滤波器试试,因 […]

Continue Reading

用双孔磁芯和中周磁芯制作1:1传输变压器

2025 年 7 月 23 日2025 年 7 月 28 日admin

传输变压器,用于信号隔离,阻抗变化,单双端转换。要求尽可能小的插入损耗。 测试频率范围100k-50Mhz。 […]

Continue Reading

RTL-SDR如何提高fm信噪比

2025 年 7 月 23 日2025 年 7 月 23 日admin

sdr实听fm波段。 室内不管是设置水平还是垂直偶极天线,噪声都比较大。在-75之上。 用同轴线20米(测试时 […]

Continue Reading

如何测试磁棒的接收带宽

2025 年 7 月 20 日2025 年 7 月 23 日admin

之前测试磁棒天线,测试1米环形天线,出现了知识的盲区,不知道怎么测试。 如下,磁棒天线,上图所示。 当现在是低 […]

Continue Reading

仿真软件CST2024设计滤波器例子

2025 年 7 月 19 日2025 年 7 月 21 日admin

安装步骤: http://www.mis2erp.com/archives/3722.html 主界面进去 1 […]

Continue Reading

仿真软件CST 2024的安装步骤笔记

2025 年 7 月 19 日2025 年 8 月 22 日admin

今天捣鼓了一天。安装是成功了。对于license和启动那里一直搞不懂。 因为参考的是别人英文写的一个readm […]

Continue Reading

AWR(MWO)设计LC滤波器

2025 年 7 月 18 日2025 年 7 月 18 日admin

1)向导 2)选择类型 选择是设计呢,还是拟合呢,还是匹配电路。 我最开始搞不懂,选择默认的中间这个,结果没法 […]

Continue Reading

小米蓝牙音箱的电路板图片

2025 年 7 月 17 日2025 年 7 月 17 日admin

拆解一个小米蓝牙音箱电路板。音箱挺好其实,就是这个电池弱了电点。电池容量再大,就实用了。

Continue Reading

ADS设计滤波器后手工微调Tune

2025 年 7 月 16 日2025 年 7 月 16 日admin

1)画出电路图 可以由filter solutions设计(这个软件中可以改变,不过没法加入mark看参数) […]

Continue Reading

ADS设计滤波器后优化optim

2025 年 7 月 16 日2025 年 7 月 16 日admin

1)画好电路图 可以在filter solutions或者ads的filter向导中设计一个基本的参数。 并且 […]

Continue Reading

空心电感计算公式和软件工具

2025 年 7 月 15 日2025 年 7 月 15 日admin

书上抄下这个公式备用。 很多人用的别人写好的exe小工具。而且还可以算出Q等。 1)第一款 2)第二款 3)第 […]

Continue Reading

诺顿变换(电容匹配网络)改变阻抗从而使得元器件容易制作

2025 年 7 月 15 日2025 年 8 月 1 日admin

LC滤波器中有时计算的电感量太大,比如50Mhz,算出来几个uh。无法制作出高质量的线圈。 因为电感太大,分布 […]

Continue Reading

LC滤波器设计与制作-森荣二这本书的参考价值

2025 年 7 月 15 日2025 年 7 月 15 日admin

LC制作入门必备书之一。 反复读了好多遍,在了解了更多相关知识后又反复阅读才能理解书上写的。 1)了解了不同种 […]

Continue Reading

特征阻抗测定

2025 年 7 月 15 日2025 年 7 月 15 日admin

如何测定特征阻抗。在电阻接上负载电阻后,从输入端测试看进去。 当然测试输出阻抗,输入应该接上电阻,从输出测试。

Continue Reading

LC滤波器的种类标识方法

2025 年 7 月 13 日2025 年 7 月 18 日admin

低通,LPF 高通,HPF 带通,BPF 全通,APF 以上都没有什么差异,大家用法都是相同的,唯一就是: 带 […]

Continue Reading

LC滤波器的设计工具和步骤

2025 年 7 月 13 日2025 年 7 月 14 日admin

1)filter solutions 选择滤波器类型和起止频率等要求,得到s21,s11看是否符合,不符合调整 […]

Continue Reading

多路sdr用滤波器

2025 年 7 月 9 日2025 年 7 月 9 日admin

网图。 几个滤波器做成一组。sdr用。 0.5M-1.7M,1.7M-12,12-30,80-110Mhz 当 […]

Continue Reading

带磁环的滤波器实物图

2025 年 7 月 9 日2026 年 1 月 10 日admin

网图,备查。 从图片看是一个4个L组成的9阶低通滤波器。

Continue Reading

一个正在调试的滤波器

2025 年 7 月 9 日2025 年 7 月 9 日admin

网图,留着备查。 实际的滤波器,线圈都不少。这图9个线圈。

Continue Reading

带绝缘针的滤波器

2025 年 7 月 9 日2025 年 7 月 9 日admin

找到的网图,留着参考 线圈不少,调着肯定费劲。

Continue Reading

F头电视信号用滤波器

2025 年 7 月 9 日2025 年 9 月 17 日admin

找到的网图,留着供学习。 其实上图,左半部分为低通,右半部分为高通,合起来组成一个带通。 这个滤波器,没有使用 […]

Continue Reading

400-470Mhz低通滤波器

2025 年 7 月 9 日2025 年 9 月 13 日admin

网上找到的,留用备查。

Continue Reading

晶体滤波器用到中周做阻抗变换

2025 年 7 月 9 日2025 年 7 月 9 日admin

网上找到一个晶体滤波器的图片。 两个晶体,少了点。 两个中周,是做阻抗变化?有空实验一下,插入损耗不知道怎么样 […]

Continue Reading

一个滤波器3D示意图

2025 年 7 月 9 日2025 年 7 月 9 日admin

找到一个3d示意图,供学习备查。

Continue Reading

一个滤波器实物图

2025 年 7 月 9 日2025 年 7 月 9 日admin

看到一个实物图,收录下来备学习。

Continue Reading

一个微带滤波器的图

2025 年 7 月 9 日2025 年 7 月 9 日admin

3db在10G+,频率有点高。 内部结构,光是这两个端子就得不少钱。

Continue Reading

中周做的滤波器,第一次见到

2025 年 7 月 9 日2025 年 7 月 9 日admin

看到某鱼有个中周做的滤波器。 这波形也是中规中矩,虽然衰减不是很大。 看到了类似多路调谐的作用。 只是这个插入 […]

Continue Reading

catv同轴高通HPF滤波器45Mhz-1Ghz

2025 年 7 月 9 日2025 年 7 月 9 日admin

在某鱼找到一个图片。贴在这里,就不用我买样品来测了。 高通,但是为何有个上限频率呢,因为超过1G,它的插入损耗 […]

Continue Reading

德生PL600外置天线对外供电测试

2025 年 7 月 9 日2025 年 7 月 9 日admin

插上外置天线插头,测试开路电压3.7v。和18650相同,巧了。 测试短路电流,10mA。 作用:可以用于前置 […]

Continue Reading

测试短波磁棒天线

2025 年 7 月 8 日2025 年 7 月 9 日admin

曾经的收音机内置短波磁棒天线,是台式机采用的方案, 可以分开两个磁棒,也可以中短波用一根磁棒。 今天我测试这根 […]

Continue Reading

拆解几个LC滤波器图片

2025 年 7 月 8 日2025 年 9 月 13 日admin

今天拆解了几个LC滤波器。 前面四个应该cable catv用的。 LPF200M,既有调整电容并联,也有调整 […]

Continue Reading

磁棒外置天线实际收听测试

2025 年 7 月 5 日2025 年 7 月 5 日admin

磁棒20*200,初级宽频调谐。次级10匝接同轴线,收音机位于3米远的室内(无法直接收到中波)。 1)低端需要 […]

Continue Reading

磁场天线屏蔽电场干扰

2025 年 7 月 4 日2025 年 7 月 4 日admin

电场为近场的电线,电器辐射所致,特别是电网这个电线,保护地,收音机靠近真的太离谱。 罪魁祸首就是开关电源,各种 […]

Continue Reading

utf-16的格式(UTF-16, UTF-16LE, UTF-16BE)区别

2025 年 7 月 2 日2025 年 7 月 2 日admin

UTF-16, UTF-16LE, UTF-16BE 之前整了好久没闹清楚,看到一篇文章,文章写的好,就容易理 […]

Continue Reading

阻抗匹配实际操作效果和阻抗匹配的作用总结

2025 年 6 月 27 日2025 年 6 月 27 日admin

阻抗匹配,来源于全电路,匹配之后,获得功率的最大输出(注意,不是电流最大,也不是电压最大,是UI乘积也就是功率 […]

Continue Reading

收音机外置中波磁棒天线的测试

2025 年 6 月 26 日2025 年 6 月 26 日admin

用20*200的磁棒,ui=750,绕100-120匝,电感1.23mh,调谐电容20-50pf可变。 实际测 […]

Continue Reading

长天线和短天线的差别在哪里(高清大图若干)

2025 年 6 月 26 日2025 年 6 月 26 日admin

有人很兴奋地告诉我,他住农村,只用区区六米的一段电线就收到了14和21兆的业余频段,而其他因为住楼房无法架设天 […]

Continue Reading

LC串并联电路的Q值影响因素和方向性

2025 年 6 月 25 日2025 年 6 月 25 日admin

我们知道Q越高,曲线越兼容,陡峭,窄。 所以实际的电路中,并不是Q越高越好 1)需要足够的带宽。Q就不能高,必 […]

Continue Reading

python import错误:没有名称为””的模块

2025 年 6 月 24 日2025 年 6 月 24 日admin

import错误,首先安装。 安装后,ide马上感觉得到,马上就不再显示红色波浪线。

Continue Reading

python的exe反编译过程

2025 年 6 月 24 日2025 年 6 月 24 日admin

1)反压缩,解压缩 下载pyinstxtractor.py,其实输入这个名字搜索就行,在哪下载都一样。 2)反 […]

Continue Reading

window的python的pip如何安装requirements文件

2025 年 6 月 24 日2025 年 6 月 24 日admin

看到人家的教程 自己敲入pip命令却不行。 找不到文件,文件不存在。输入完整的 .txt文件名即可。 小白的坑 […]

Continue Reading

如何安装uncompyle6,decompyle3,pycdc反编译工具

2025 年 6 月 23 日2025 年 6 月 23 日admin

网上教程总是告诉你执行命令pip install uncompyle6就能安装了。 我是小白。跑去python […]

Continue Reading

PL600一个奇怪的频率漂移现象

2025 年 6 月 23 日2025 年 6 月 23 日admin

因为天线是用的夹子,每次切换电感抽头时发现,还没有靠近时,收到的是一个台,夹上后收到的是另外一个台,而且两个台 […]

Continue Reading

适合做摩尔斯电键的材料?

2025 年 6 月 22 日2025 年 6 月 22 日admin

突然想到空开,接触器,继电器里面的含银触点,镀银触点会不会是一个好的材质。? 查了资料,人家说这个是含银合金做 […]

Continue Reading

whois查询推荐网站

2025 年 6 月 22 日2025 年 6 月 22 日admin

https://www.whois.com.cn 这个网址不错。专业。能查到马上续费的时间和最新到期日期。推荐 […]

Continue Reading

机械行程开关内部拆解图片高清

2025 年 6 月 21 日2025 年 6 月 21 日admin

机械行程开关内部拆解图片高清

Continue Reading

测试RG174线的衰减

2025 年 6 月 21 日2025 年 6 月 21 日admin

需要做一个室外天线,购买了一点同轴线,因为线材比较贵,而且想知道用最差的线材时插入损耗到底是多少。应该在LNA […]

Continue Reading

长线天线收听航空波段信号,以及dbFS

2025 年 6 月 19 日2025 年 6 月 19 日admin

通过自己的长线天线,实际测试可以听到航空波段信号。 通过辨别,能听到飞机信号和放行信息。 通过瀑布可以对准短暂 […]

Continue Reading

消除空调滴水声的妙法

2025 年 6 月 18 日2025 年 6 月 18 日admin

特别是住高层,楼上的那个空调水管啊,其实是只有一两年就全部破损了。也的确也不是哪一家的事情。你问邻居谁知道自己 […]

Continue Reading

如何使用万用表进行在线检测故障

2025 年 6 月 18 日2025 年 6 月 18 日admin

数字表分指针和数字, 数字表的电阻由通断档位,二极管档位,200欧直到200M。 指针表X1,10,100,1 […]

Continue Reading

收音机的输入阻抗为多少?

2025 年 6 月 17 日2025 年 6 月 18 日admin

有人说,75欧。 非也。 标称是75,实际不是。 PL600.置于短波段时,无论在哪个波段,阻抗不变。可能因为 […]

Continue Reading

datawindow:datawindow value required for this item

2025 年 6 月 17 日2025 年 6 月 17 日admin

出现这个错误是form里面涉及了dddw。而且required打了勾。 但是找了半天没有找出毛病,因为我们没有 […]

Continue Reading

打开文件时使用通配符号过滤文件

2025 年 6 月 14 日2025 年 6 月 14 日admin

在很多软件里面选择文件时,它会给出扩展名,有的只有:所有文件(*.*)这样就麻烦了。不好用。 如下图,可以使用 […]

Continue Reading

长线端馈都用1:9的巴伦能解决问题吗?

2025 年 6 月 14 日2025 年 6 月 21 日admin

不能。 通过对实际架设的天线进行测试。 除非进行有效的修剪,否则无法直接使用1:9的巴伦。 1)天线不谐振,虚 […]

Continue Reading

ADS如何导入和查看网分导出来的S1P文件

2025 年 6 月 12 日2025 年 6 月 12 日admin

1)新建原理图 注意,我导入后曲线形状变小。对比了一下人家的教程,输入阻抗电阻要,输出阻抗电阻不要: 左边选择 […]

Continue Reading

夏天急性中暑后的处理和刮痧放痧

2025 年 6 月 12 日2025 年 6 月 12 日admin

夏天气温突然升高,我们在室外活动很容易中暑,这个还与每个人的身体有关系。有的人特别爱中暑。 比如,很热到很凉的 […]

Continue Reading

奶粉罐,茶叶罐做地线的GP天线

2025 年 6 月 7 日2025 年 6 月 7 日admin

不久前看到一个作者测试了一个GP天线,地线由三根水平线改为奶粉罐的文章。因为水平地线很占地方,所以他灵机一动, […]

Continue Reading

VMWARE未能启动虚拟机_打不开磁盘或它依赖某个快照磁盘…

2025 年 6 月 6 日2025 年 6 月 6 日admin

之前虚拟机的系统反复的暂停过。突然打不开,之前还没有搞懂。搜了一下人家的经验,记录一下: 删除系统文件,也就是 […]

Continue Reading

德生PL600拆机大图以及增加外置中波天线

2025 年 6 月 6 日2025 年 6 月 6 日admin

德生PL600我主要拿来听短波,无奈没有中波外置天线。 前几天给9700增了外置天线。今天拆它。 接下来焊接外 […]

Continue Reading

维修罗技鼠标左键单击不灵和滚轮不灵的故障

2025 年 6 月 5 日2025 年 6 月 5 日admin

用久了,这个鼠标感觉左键非常不灵,拿起来手指就特意要费力去按动,特别累。 然后中间的滚轮也不灵了。滚动时,一会 […]

Continue Reading

如何设置任务栏右下角的日期那里显示出星期几?

2025 年 6 月 5 日2025 年 6 月 5 日admin

现在的系统,找一个设置项很难,你不出一身汗,都找不着。系统越做越烂,而且不同的版本比如家庭版还搞出很多不相同的 […]

Continue Reading

网分S11显示格式的换算R+jX,Re+Im,R+L/C

2025 年 6 月 4 日2025 年 6 月 5 日admin

比如我们测试天线的阻抗,这个是用的非常频繁的。测试后用smith圆图做阻抗匹配。 但是这个几个显示格式如何换算 […]

Continue Reading

小频谱仪tinysa修改幅值单位及单位换算方法

2025 年 6 月 4 日2025 年 6 月 4 日admin

菜单》Level》Unit 比如dbm,默认,是以10lg(Pin/1mw)取的对数值。 从最基础的值来举个例 […]

Continue Reading

ADS仿真软件添加类似村田电容库的操作

2025 年 5 月 31 日2025 年 5 月 31 日admin

软件设计采用的是理想器件,实际仿真通常采用厂家的元器件库,这样更接近实际情况。 当然话说回来,厂家的库和实际调 […]

Continue Reading

中波在1060Khz收到标准时间信号的研究

2025 年 5 月 31 日2025 年 6 月 5 日admin

中波1060khz用外置天线清晰收到了标准时间标准频率信号。(夜晚) 猜想应该是因为本振的谐波缘故,收到了2. […]

Continue Reading

德生9700dx调频无天线能清晰接收的分析

2025 年 5 月 31 日2025 年 5 月 31 日admin

9700我拆开维修,发现不要拉杆能清晰接收好几个台。 其他收音机是万万做不到的。 原因有两个: 1)电路板大, […]

Continue Reading

给德生9700DX增加外置中波天线

2025 年 5 月 30 日2025 年 5 月 30 日admin

9700听中短波非常具有老收音机的味道。 美中不足,没有中波外置天线,现在在室内屏蔽非常严重,无法室内使用磁棒 […]

Continue Reading

用德生R9710试听中波信号

2025 年 5 月 30 日2025 年 5 月 30 日admin

这个机器,拉杆天线,无法馈入中波外置天线信号。 用这个方法:在机壳,即磁棒周围缠绕3-5匝天线,天线末端在接防 […]

Continue Reading

德生DR-920C听中波的感受

2025 年 5 月 30 日2025 年 5 月 30 日admin

首先这个机器拿出来,室内能听到中波强台,这点比R9012要强。 另外比较好调谐,看数字方便拧,R9012这个行 […]

Continue Reading

修理R9012收音机调台时指针嘎吱嘎吱响的故障

2025 年 5 月 30 日2025 年 5 月 30 日admin

感觉是设计问题,这收音机型号,音量容易咔滋咔滋响,清洗加上缝纫机油好了。 久了不用,这个调台的又响。 轮轴的位 […]

Continue Reading

给RTL-SDR增加一个NE602上变频器(大图)

2025 年 5 月 29 日2025 年 8 月 18 日admin

RTL-SDR这个电视棒接收器,只能接受22Mhz以上信号,无法收听中短波。 采用一个NE602制作上变频器成 […]

Continue Reading

拆解两个合路器双工器,精彩大图与测试曲线

2025 年 5 月 27 日2025 年 5 月 27 日admin

今天弄到两个gsm,wlan的双工器,合路器。 上图采用的镀银,调谐杆是锁螺丝的。 下图的阻带部分,调谐杆很细 […]

Continue Reading

如何检测水泵漏电

2025 年 5 月 24 日2025 年 5 月 24 日admin

老家竖井的泵,突然出现跳漏保的情况,连续测试数次,仍跳。 咨询了专业电工,说这个过流跳的话,蓝色的指示器不会弹 […]

Continue Reading

补房顶的沥青怎么买才好

2025 年 5 月 20 日2025 年 5 月 20 日admin

老家的自建房,因为用的水泥板,所以总是漏雨。 现在很多人改了铁皮顶。 但是自己没有这样做,改了感觉很突兀。 之 […]

Continue Reading

无法执行 差异备份 不存在当前数据库备份 去掉WITH DIFFERENTIAL 选项后重新发出

2025 年 5 月 19 日2025 年 5 月 19 日admin

无法执行数据库”xxxx” 的差异备份,因为不存在当前数据库备份。请去掉WITH DI […]

Continue Reading

sql2005在win11安装时下载了net3.5但是无法安装

2025 年 5 月 18 日2025 年 5 月 18 日admin

sql2005安装时需要net3.5,它能自动下载但是无法安装。 不知道是权限问题呢,还是必须从系统功能中添加 […]

Continue Reading

SQL2005在win10,win11安装时都快好了,提示无法启动

2025 年 5 月 18 日2025 年 5 月 18 日admin

SQL2005在win10,win11安装时提示无法启动,如果重试,无效,如果取消会回退,安装不成功。急S人。 […]

Continue Reading

RTL2832U SDR的玩法总结

2025 年 5 月 18 日2025 年 5 月 18 日admin

RTL2832U是一个很廉价的初级sdr方案,本来是设计接受dvb界面的。 现在大量的出口返销的这种usb。我 […]

Continue Reading

耳机入仓无吸力的修复

2025 年 5 月 17 日2025 年 5 月 17 日admin

耳机摔过,无吸力了。无法入仓充电, 取开耳机部分的充电位置外壳。 看起来与耳机仓接触的下面有个吸铁石,但是不见 […]

Continue Reading

1:1,1:2,1:N的阻抗转换器的用料及绕制方法等研究

2025 年 5 月 17 日2025 年 5 月 17 日admin

最近遇到一个需要将50仪器的信号转成100欧平衡的测试项目。就被这个转换器难倒了。 之前看过一个50转120测 […]

Continue Reading

测量德生R9012收音机FM和SW天线输入滤波器特性(大图)

2025 年 5 月 15 日2025 年 5 月 28 日admin

为了给德生R9012增加一个从拉杆馈入的外置天线,分析了R9012的图(参考的DR910电路图,9012找不到 […]

Continue Reading

用长线天线加频谱仪听到机场信号(测试频谱图)

2025 年 5 月 15 日2025 年 5 月 15 日admin

今天无意间测试了一下118Mhz以上的范围的频谱。偶尔看到几个很小很弱的信号,查了一下频段范围,是机场信号。 […]

Continue Reading

传输线巴伦的匝数比问题和拧线问题

2025 年 5 月 13 日2025 年 5 月 14 日admin

因为匝数比的平方是阻抗比,传输线方式,两股,或者三股,N股拧在一起后在首位依次串接,这样主要是减少的s21损耗 […]

Continue Reading

PL600,PL450,R9012如何给中波段外接天线

2025 年 5 月 13 日2025 年 5 月 13 日admin

中波在晚间有非常神奇的传播效果。中波dx收听非常有趣。 据说只有很少数的高等级收音机考虑给出来中波段外接天线。 […]

Continue Reading

电子电度表的数字计数器部分的原理

2025 年 5 月 12 日2025 年 5 月 14 日admin

不久前拆得一个非IC卡,应该是属于人工抄表时代的那一代电表,但又是电子计费的电度表的数字计数器部分,让我们分享 […]

Continue Reading

拆解一个2.15G(实测2.19G)腔体滤波器参数

2025 年 5 月 10 日2025 年 6 月 1 日admin

弄到一个腔体滤波器来测试一下它的参数。 有5个调谐杆,2个耦合杆。 频率见标签,还是个国外生产的。 卖家测试的 […]

Continue Reading

自行车曲柄方形孔和菱形孔的区分

2025 年 5 月 5 日2025 年 5 月 5 日admin

需要更换这个曲柄,看卖家的标识说什么要区分方形孔和菱形孔,没搞懂,找到一个图片才搞清楚。 所谓方形,菱形,是当 […]

Continue Reading

1:1阻抗转换巴伦的参数是哪些

2025 年 5 月 4 日2025 年 5 月 4 日admin

因为要测试一个100欧的产品,最近在看这个1:2,1:1阻抗变换巴伦的知识。 从这个资料看来,这个转换巴伦注重 […]

Continue Reading

一个蓝牙耳机拆解图片

2025 年 5 月 2 日2025 年 5 月 2 日admin

一个蓝牙耳机坏了充电的柱子,扔之前拆开看看 ,看看这个零件有多小。 采用手机微距摄影才能看清。 焊接组装需要工 […]

Continue Reading

关于5g手机能被定位而不安全的说法合理吗?

2025 年 5 月 2 日2025 年 5 月 2 日admin

突然想到一个问题。 如果一个人带上一个5g手机到处逃亡,他是不安全的。 如果特朗普总统有10个5g手机,分别放 […]

Continue Reading

PB的框架advgui反编译后控件无法绘制的处理(即导入pbx的操作步骤)

2025 年 5 月 1 日2025 年 5 月 1 日admin

advguiobjects.pbl反编译后,涉及到里面一个用pbni开发的一个绘制对象需要重新导入才可以。否则 […]

Continue Reading

一个ADSL滤波器分波器的参数测试【2】

2025 年 4 月 30 日2025 年 5 月 6 日admin

今天又得到一个adsl的滤波器分波器,拆解测试参数。 之前拆解了一个: http://mis2erp.com/ […]

Continue Reading

用VNA进行天线阻抗匹配的实例

2025 年 4 月 29 日2025 年 4 月 29 日admin

比如我这天线,在7Mhz时不谐振,我进行匹配 天线的阻抗很高,大约是在500-1400欧,而等效电容电感很小。 […]

Continue Reading

人和事物是如何成为顶流网红热门热点而受人追捧的?

2025 年 4 月 29 日2025 年 4 月 29 日admin

提供者和消费者,是一个供求双方。 提供者是生产者,消费者是消耗的人。 提供者如:书籍作者,影视创作者,歌手;日 […]

Continue Reading

如何清洗厕所蹲便器与下水管的堵塞

2025 年 4 月 29 日2025 年 4 月 29 日admin

之前有做一个装置来清洗蹲便厕所和下水道。 http://mis2erp.com/archives/996.ht […]

Continue Reading

开水烫伤后的及时处理方法

2025 年 4 月 29 日2025 年 4 月 29 日admin

一般来说,开水都是泼溅到手上的机会比较多,比如倒开水不小心洒出来一点。 一般说冬天很冷,或者是溅到很少,烫伤比 […]

Continue Reading

每次感冒好了之后总是气管呼气不畅快还咳半声嗽

2025 年 4 月 28 日2025 年 4 月 28 日admin

经过很多次自己的实践, 头孢青霉素类的药伴随感冒药吃了之后,感冒总是有点拖泥带水,气管总是呼气不通畅(就是张口 […]

Continue Reading

知道源和负载阻抗(实部+虚部)如何计算其SWR

2025 年 4 月 28 日2025 年 4 月 28 日admin

昨天测试了我的天线在7Mhz的阻抗是1.4k -j1.4k 然后显示 |Z| = 2.0k 显示swr = 5 […]

Continue Reading

小区高层如何架设HF短波天线

2025 年 4 月 27 日2025 年 4 月 29 日admin

最近几个月,从想法到实践,从架设到收听,实际验证了一下在小区高层如何架设短波hf天线。 住的地方大约是9-15 […]

Continue Reading

户外架设HF天线之如何利用支撑物

2025 年 4 月 27 日2025 年 4 月 27 日admin

最近尝试在户外躲开室内的电器干扰,架设一个hf天线来听听。 最好的利用支撑就是树木,竹竿,高低差的地形,线材为 […]

Continue Reading

立式(垂直)鼠标的拆解维修

2025 年 4 月 26 日2025 年 4 月 26 日admin

我的垂直鼠标被摔了,滚轮卡住了,无法操作,鼠标无法移动。 只好拆下来复位。 机构挺复杂的,挺不好拆的,因为它不 […]

Continue Reading

拆解一个CATV用的5Mhz-1Ghz的LC滤波器

2025 年 4 月 23 日2025 年 7 月 29 日admin

今天拆机了一个catv用的防止干扰的lc滤波器。 看参数应该是阻止家用的一些频率干扰。标识为5Mhz-1Ghz […]

Continue Reading

拆解一个550-800Mhz的LC滤波器

2025 年 4 月 23 日2025 年 7 月 17 日admin

今天拆解了一个铸铝外壳(大批量成本比较低,cnc一个要30,40,50真不便宜。。。)做的LC滤波器。 说明: […]

Continue Reading

没有网分的情况下如何测定收音机天线的输入阻抗

2025 年 4 月 22 日2025 年 5 月 10 日admin

前提条件是,没有网分。 这是很多电子爱好者,包括我,在不久之前就不具备的设备,因为它属于射频,微波领域的专用。 […]

Continue Reading

如何方便复制和粘贴十六进制数据

2025 年 4 月 21 日2025 年 4 月 21 日admin

之前一直使用ultraedit编辑,类似复制十六进制和粘贴十六进制。我记得之前是操作成功过的。 但是用了这个新 […]

Continue Reading

思考如何改善收音机短波HF外置天线的效果

2025 年 4 月 18 日2025 年 4 月 18 日admin

最近捣鼓了一番室外天线,有些感悟,收获,但是最终并未得到很好的效果,后续对天线的支撑固定,位置,绝缘,分布电容 […]

Continue Reading

如何给笔记本电脑安装键盘帽

2025 年 4 月 18 日2025 年 4 月 18 日admin

我这键盘有个颗键可能是掉进东西了,卡在里面黏黏的,键帽无法迅速弹起,决定扣下来清洁一下。 用改刀,镊子,温柔地 […]

Continue Reading

电子温度计到底准不准?实际测试后说说

2025 年 4 月 16 日2025 年 4 月 16 日admin

之前买这个几块钱一只的电子温度计时,看到很多评论说测不准。 有的说听到响声,拿出来测试结果差很多。 当时买这个 […]

Continue Reading

液晶电压指示电笔与通断测试电笔

2025 年 4 月 15 日2025 年 4 月 23 日admin

今天维修了一只旧的电笔,好奇拆开看了看。 当时这个笔可是算比较好的,有个液晶屏,显得很有卖点。因为橘红色的氖泡 […]

Continue Reading

电学演义-007 现在的火力发电机为何效率高

2025 年 4 月 14 日2025 年 4 月 14 日admin

资料显示: 2024年,我国火力发电量占全国发电总量的67.36%,同比增长1.5%‌‌1。具体来说,2024 […]

Continue Reading

电学演义-006 电荷存储装置 莱顿瓶

2025 年 4 月 14 日2025 年 4 月 14 日admin

过去摩擦起电,用的是手动方法和起电机(比如范德格拉夫起电机)既有摩擦起电,也有电荷的转移。 但是起电后只能存在 […]

Continue Reading

楼顶的避雷线为何可以作为天线接收到长波,中波和短波信号呢?

2025 年 4 月 14 日2025 年 4 月 14 日admin

楼顶避雷线不是接地的吗。为何能接收到长波,中波,短波信号呢?就是从避雷线跟磁棒垂直放置,或者用夹子线从ant天 […]

Continue Reading

电学演义-005 能量转化为电能 发电的能源动力

2025 年 4 月 14 日2025 年 4 月 14 日admin

我们从diy的角度出发,可以有这些发电的能源动力 1)人力 比如摇动,脚踏 早期采用的电报机就用过。 2)畜力 […]

Continue Reading

电学演义-004 能量转化为电能 发电实验

2025 年 4 月 13 日2025 年 4 月 13 日admin

业余条件下,我们做发电实验,只要是这样几个途径: 1)直流电动机 我们给他轴施加旋转,可以从换向器获得直流电源 […]

Continue Reading

PS中不让数位笔长按时弹出修改笔粗细的菜单

2025 年 4 月 13 日2025 年 4 月 13 日admin

我试过用鼠标画铅笔不会弹出菜单和设置。用数位笔会频繁弹出,很影响我画线。比如按下还没有开始画呢,弹出一个界面来 […]

Continue Reading

电学演义-003 能量转化为电能 电磁感应

2025 年 4 月 13 日2025 年 4 月 13 日admin

化学电池的力量很弱,无法提供充足的能量。以及无法实现其他能源转换为电能。 电是很好的东西,可人们最开始对电能的 […]

Continue Reading

电学演义-002 化学电池 伏打电池的原理

2025 年 4 月 13 日2025 年 4 月 13 日admin

发明人: 伏打电池,由意大利物理学家亚历山德罗·伏打在1800年发明的。 原理: 最开始说是食盐水的抹布夹在银 […]

Continue Reading

调频的频谱以及远程dx收听方法

2025 年 4 月 13 日2025 年 4 月 13 日admin

调频是城市频道。现在中波没落,调频盛行。 因为功率小就可以有效覆盖。质量好,车载电台多,干扰小(最关键因素)。 […]

Continue Reading

电学演义-001 人类认识电的开始:静电与雷电

2025 年 4 月 12 日2025 年 4 月 12 日admin

电作用巨大: 电在这个时代,从法拉第开始到现在吧。非常重要非常重要。不然生产力要倒退到古代的水平。 电提供了照 […]

Continue Reading

拉杆密码箱的密码锁内部照片大图

2025 年 4 月 12 日2025 年 4 月 12 日admin

今天修理这个密码锁,故障是开关按不下去,扣不上,密码未调,但是打不开。密码是对的。 幸好是没有扣上就卡住了,要 […]

Continue Reading

不同初始磁导率磁环的阻抗曲线

2025 年 4 月 7 日2025 年 4 月 7 日admin

不同的磁环,适用场合不同。 NOX-10 NXO-100 NXO-1000 MXO-3000 MXO-12K […]

Continue Reading

制作4-30M巴伦的材料:音频变压器铁芯vs锰锌12K磁环

2025 年 4 月 6 日2025 年 4 月 6 日admin

找到一个收音机套件的音频变压器,想测试一下阻抗特性,我本意想做一个1k-20k的传输耦合变压器。但是不知道这个 […]

Continue Reading

第二次调整100Mhz带通滤波器的曲线

2025 年 4 月 6 日2025 年 5 月 26 日admin

把之前的三阶带通100Mhz拿出来整理了一下。 存在的问题: 1)两个串联的电感因为当初追求最好的D/L比,直 […]

Continue Reading

PB11.5编译出文件不是512的整数块的问题

2025 年 4 月 2 日2025 年 4 月 2 日admin

今天反编译遇到一个问题,就是某个文件的末尾不是整齐的512的块。而且看dat标记也是错位的。 从底部往前面查找 […]

Continue Reading

再测业余频段的频谱和强台频谱

2025 年 4 月 1 日2025 年 4 月 1 日admin

20250401晚上再测一下短波业余频段的频谱,准备做几个滤波器试试看。 因为 1)业余台能听到,但是听不清, […]

Continue Reading

用网络分析仪(网分)测试极小电感线圈的电感量

2025 年 4 月 1 日2025 年 4 月 1 日admin

涉及到要使用1uh以下的极小电感线圈,包括选择成品的测量和自己绕制的测量。 特别是自行绕制,这个测试是一个大问 […]

Continue Reading

电感电流如何估算即通过电流计算漆包线直径

2025 年 4 月 1 日2025 年 4 月 1 日admin

电感采用漆包线绕制,这个线径和过电流息息相关。 我今天get到一个算式,写出来备查。 自然散热下电流密度取5A […]

Continue Reading

如何测试较小的电感几十上百nh

2025 年 3 月 31 日2025 年 3 月 31 日admin

这样小的电感,是手套的磁环线圈。 有一块LC200A电感电容表,它最小档位0.001uh-1uh。精度5%。 […]

Continue Reading

对于阻抗变换巴伦的一些测试总结与疑问

2025 年 3 月 30 日2025 年 3 月 30 日admin

前几天做了天线的阻抗变换的测试。分别使用的是NXO-400的磁棒,和NXO-100的磁环(货真价实的不是歪的) […]

Continue Reading

Html与JavaScript自学入门教程-02 html的格式和变化

2025 年 3 月 29 日2025 年 3 月 29 日admin

html是最具网络普遍性的文档。因为它的传送速度之快,让各种cs客户端程序相形见绌。 格式:我们以谷歌浏览器的 […]

Continue Reading

测量和分析中波与短波的谐波干扰

2025 年 3 月 28 日2025 年 3 月 28 日admin

最近通过实际收听短波业余频段,调节天线,收获很多。 今天白天我测试了0-30兆内的谐波干扰,因为白天这个小区内 […]

Continue Reading

Html与JavaScript自学入门教程-01 js的过去和未来

2025 年 3 月 27 日2025 年 3 月 29 日admin

编程十多年的人肯定知道,曾经js是用于炫酷的,用于页面的动态装饰效果,在过去,它都不属于语言,只是属于动态脚本 […]

Continue Reading

测试业余频段7Mhz在不同匹配下的频谱幅度和底噪

2025 年 3 月 27 日2025 年 3 月 27 日admin

我架设了两根30米的树顶斜拉室外天线。 这个天线阻抗大,噪声大。调谐之后收到了清晰的ssb通话。摩尔斯自然不在 […]

Continue Reading

对室外30米长树顶斜拉HF天线的调节总结

2025 年 3 月 26 日2025 年 3 月 26 日admin

高层室外正常拉30米是不可能的,比如水平拉,没有支撑点。所以很多是水平加感缩短天线。 我这个是从防护栏外离墙大 […]

Continue Reading

线绕电位器拆解多图

2025 年 3 月 26 日2025 年 3 月 26 日admin

在一个500万用表拆下一个调零电位器。我们知道这种电位器一般很耐磨,我们拆开看看工艺。这是老工艺做的。 可以看 […]

Continue Reading

电脑如何规划并安装系统用于开发和测试

2025 年 3 月 24 日2025 年 3 月 24 日admin

我们现在普遍采用笔记本办公,比如写软件代码。 一旦系统出现错误问题,严重影响我们办公效率。因为开发者的电脑可不 […]

Continue Reading

powerbuilder 12.5 调用pborc125.dll时报 Error checking out a SySAM license

2025 年 3 月 24 日2025 年 3 月 24 日admin

之前看到论坛有讨论这个问题,今天正好有人问到所以写一个笔记。 解决的方法: 1)购买正式版可以有这个功能。 2 […]

Continue Reading

vivo手机使用充电面板或其他充电器无法实现闪充的分析

2025 年 3 月 24 日2025 年 3 月 24 日admin

现在有很多充电头,电脑充电器,其他牌子的充电器,大部分可以提供5,9v下的大电流充电。 但是无法实现vivo的 […]

Continue Reading

PB报错:migrated to current version,regenerated

2025 年 3 月 20 日2025 年 3 月 20 日admin

原因,用较低的补丁写的,然后又在其他电脑上面用更高的补丁来开发。 也不是什么大错误。pb自己有菜单可以处理。两 […]

Continue Reading

收音机中周特性曲线测试

2025 年 3 月 20 日2025 年 3 月 20 日admin

中周,就是中频调谐线圈。 看了曲线,是|Z|比较容易看。 选择了下面几张特性曲线比较容易看懂中周的谐振,依次是 […]

Continue Reading

数字与单片机仿真Proteus学习-02安装Keil

2025 年 3 月 19 日2025 年 3 月 19 日admin

Keil用来编译c代码。 确切地说,c可以用任何工具写,包括vscode,ultredit,记事本。 不过ke […]

Continue Reading

数字与单片机仿真Proteus学习-03画第一个单片机电路图完成点灯

2025 年 3 月 19 日2025 年 3 月 19 日admin

我们第一次就熟悉一下操作,先实现一个单片机控制闪灯的电路。这是最简单的任务。 主要目的的配置好软件,并测试它们 […]

Continue Reading

Filter Solutions学习-19 中文PDF说明书

2025 年 3 月 19 日2025 年 3 月 19 日admin

我看了英文的说明书,看到里面有些技术说明的部分,是我不了解。所以我用谷歌文档翻译把重要的部分翻译成了中文,以供 […]

Continue Reading

Smith3.0 4.0的阻抗匹配操作方法

2025 年 3 月 19 日2025 年 3 月 19 日admin

我们get到一些知识点的总结: https://baijiahao.baidu.com/s?id=182262 […]

Continue Reading

测试收音机PL600和9700DX的天线插座输入阻抗

2025 年 3 月 17 日2025 年 3 月 17 日admin

用vna测试收音机在mw和sw波段的输入阻抗。进而研究外置天线如何匹配输入阻抗。 1)PL600. 这个收音机 […]

Continue Reading

测试两条线为张开线,平行线,双绞线的传输特性

2025 年 3 月 17 日2025 年 3 月 17 日admin

我用一个耳机插头焊接一条0.5的红黑线长70公分,做天线的输入。今天好奇,到底这个线在我们需要的HF和FM传播 […]

Continue Reading

BCB6.0调试运行完以后点程序复位说无法创建文件InitCC32.exe

2025 年 3 月 14 日2025 年 3 月 14 日admin

BCB6.0里,运行完以后,点程序复位,可是复位不到,说无法创建文件InitCC32.exe,怎么回事? 查了 […]

Continue Reading

恒流源电路是否稳定的讨论

2025 年 3 月 13 日2025 年 3 月 13 日admin

今天有人show了一个图,说他设计的恒流源很稳定。能稳定到0.30008A。想表达的意思嘛,就是最后一位都不会 […]

Continue Reading

风扇档位开关拆解图

2025 年 3 月 13 日2025 年 3 月 13 日admin

档位开关在生活中使用很普遍,只能选择一个档位,按下另外一个档位时,先释放之前的锁定档位,切换到当前按下的新档位 […]

Continue Reading

VNA操作使用学习-16 测试磁环变压器的耦合效果与插入损耗(大量图)

2025 年 3 月 12 日2025 年 3 月 12 日admin

1)变压器模式 就是像工频变压器一样,一个绕组绕3匝,另外再独立绕一个3匝,进行测试s21 插入损耗特别大。就 […]

Continue Reading

VNA操作使用学习-15 测试磁环变压器的阻抗

2025 年 3 月 12 日2025 年 3 月 12 日admin

想用磁环绕阻抗变换或者信号转换(比如不平衡转平衡)的变压器。所以今天用vna测试一下。不仅学了了变压器,而且学 […]

Continue Reading

VNA操作使用学习-14 再测晶振特性

2025 年 3 月 12 日2025 年 3 月 12 日admin

再测一下4Mhz晶振,看看特性曲线,熟悉一下vna使用。 s11模式,找遍了各种format都无法显示,只有这 […]

Continue Reading

VNA操作使用学习-13 再测SAW参数

2025 年 3 月 12 日2025 年 3 月 12 日admin

今天再次测试saw的特性,主要是看如何用网分测试串联谐振频率和并联谐振频率。因为这两个频率对于使用该期间,挑选 […]

Continue Reading

一个ADSL滤波器分波器的参数测定【1】

2025 年 3 月 12 日2025 年 4 月 30 日admin

购得一个废弃不用的adsl分波器的参数,是为了研究低频的滤波器而买。 今天晚上用电感电容表测试了一下参数。 L […]

Continue Reading

VNA操作使用学习-05 DISPLAY设置

2025 年 3 月 11 日2025 年 3 月 11 日admin

DISPLAY菜单是最复杂和最频繁操作的菜单。掌握它就掌握了一半的技巧: TRACE >TRACE 0- […]

Continue Reading

VNA操作使用学习-12 连接到电脑上操作

2025 年 3 月 11 日2025 年 3 月 11 日admin

在config》version信息中有网址:LiteVNA.org 进去可以下载最新的手册和固件。我买的时候是 […]

Continue Reading

收音机外置天线如何才能高质量收听信号

2025 年 3 月 10 日2025 年 3 月 10 日admin

我们随便安装一条室外天下来帮助收音机提供灵敏度或者接收信号(因为楼房屏蔽厉害)。 但是这个天线在帮助接收到信号 […]

Continue Reading

双孔磁芯与猪鼻孔磁芯的作用

2025 年 3 月 10 日2025 年 3 月 11 日admin

我很好奇双孔磁芯的作用。搜了一点资料。但是这个没有一个标准的说法。 我猜想是如下缘故暂列出来,后续再查更多资料 […]

Continue Reading

Filter Solutions学习-18 Zmatch阻抗变换仿真与实作天调10Mhz

2025 年 3 月 8 日2025 年 3 月 8 日admin

先看天线的特性 这个值不大,空心线圈实现足够了。测试后放图。

Continue Reading

Filter Solutions学习-17 Zmatch阻抗变换仿真与实作天调5Mhz

2025 年 3 月 8 日2025 年 3 月 8 日admin

先看看天线的参数 这个电感用磁环比较容易实现。到时测试了再放图。选择5Mhz是因为这个有标准时间的台可以做前后 […]

Continue Reading

Filter Solutions学习-16 Zmatch阻抗变换仿真与实作天调28Mhz

2025 年 3 月 8 日2025 年 3 月 8 日admin

我们来计算一下28Mhz的匹配。 我经常在这个频点用PL600收到摩尔斯,传输很好,也可能是天线比较适合这个频 […]

Continue Reading

Filter Solutions学习-15 Zmatch阻抗变换仿真与实作天调π型的具体形式

2025 年 3 月 7 日2025 年 3 月 7 日admin

之前好奇想给自己的室外长线天线作一个π型的天调,幼稚地认为两边各用一个560pf可调电容,中间一个抽头电感即可 […]

Continue Reading

Filter Solutions学习-14 Zmatch阻抗变换仿真与实作天调

2025 年 3 月 7 日2025 年 3 月 9 日admin

今天我们来测一下我的室外长线天线,以1Mhz中波频率点为例,我们来实现一个任意长端馈天线的阻抗匹配。 我们假设 […]

Continue Reading

Multisim学习-13 电容的幅频特性

2025 年 3 月 6 日2025 年 3 月 6 日admin

电容的圆图是下半部分,仿真的确如此。 我们再看看s21如何。 68pf并不大。如果它是无引线的话。 如果是插件 […]

Continue Reading

Multisim学习-12 电感的幅频特性

2025 年 3 月 5 日2025 年 3 月 5 日admin

我们模仿rf demo kit来测试电感的特性 电感的s11圆图曲线在上半部的圆。 仿真的图的确是。 我们来看 […]

Continue Reading

Multisim学习-11 电阻的幅频特性

2025 年 3 月 5 日2025 年 3 月 5 日admin

我们借助工具的网分来分析,学习rf demo kit的一些器件特性。 1)电阻 短路的话,靠最左;开路,靠最右 […]

Continue Reading

VNA操作使用学习-04 SOLT校准

2025 年 3 月 5 日2025 年 3 月 5 日admin

DISPLAY 设置trace相关,这是VNA频繁操作的最复杂的菜单。 MARKER 标记点 STIMULUS […]

Continue Reading

德力普9v层叠电池镍氢充电器拆解

2025 年 3 月 5 日2025 年 3 月 5 日admin

今天充电,有个灯闪烁不亮了。拆开修一下,顺便看看电路。 外壳写9v 10ma。电流供应很小。 内部拆开看: 采 […]

Continue Reading

笔记本充电器适配器能否给手机充电

2025 年 3 月 5 日2025 年 3 月 5 日admin

工作关系,经常想用电脑给手机临时充电, 用usb输出,充电很慢,估计是5v,1a的。慢冲。 用笔记本的适配器给 […]

Continue Reading

VNA操作使用学习-03频率范围

2025 年 3 月 5 日2025 年 3 月 5 日admin

实用vna首先是设置频率范围,因为线材等与频率紧密相关。 如何调出菜单? 在屏幕轻点,就能调出菜单。或者按下摇 […]

Continue Reading

VNA操作使用学习-01 界面说明

2025 年 3 月 4 日2025 年 7 月 18 日admin

以我手里面的liteVNA为例。也可以参考其他的nanoVNA的操作说明。我先了解一下具体的菜单意思。 补充: […]

Continue Reading

VNA操作使用学习-02测贴片电阻和直插电阻的幅频特性

2025 年 3 月 4 日2025 年 3 月 4 日admin

从第一个元器件电阻47欧(正好没50和51的)开始测试。来研究一下在高频下,电阻表现出的不同幅频特性。 我们知 […]

Continue Reading

86面板内部图片

2025 年 3 月 4 日2025 年 3 月 4 日admin

今天更换一个开关插座,可能是拧得太近了,造成三插进去把铜片给拗弯了。 研究了半天才知道如何撬开这个86插座面板 […]

Continue Reading

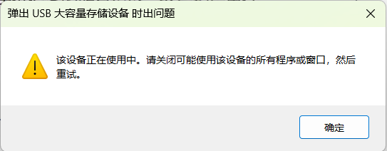
弹出usb大容量存储设备时出问题

2025 年 3 月 4 日2025 年 3 月 4 日admin

usb移动盘经常备份资料后无法弹出,很影响磁盘安全性。不能硬拔。 打开事件查看器。 或者在这里 我这个提示已经 […]

Continue Reading

我置办的几样射频学习的工具仪器

2025 年 3 月 4 日2025 年 3 月 4 日admin

1)电感电容表 首先,涉及到非阻性元件,需要电感电容仪。 有一台BM4070,最低200uh,200pf的表, […]

Continue Reading

VMWARE无法安装VMTOOL的vsock驱动

2025 年 3 月 2 日2025 年 3 月 2 日admin

win7系统,无法安装如下驱动。 网上搜索结果 安装这个补丁即可: KB4474419

Continue Reading

RFSIM99的学习-03 阻抗匹配的实际例子

2025 年 3 月 2 日2025 年 3 月 2 日admin

固定频率点,比如业余的7Mhz,14Mhz。我们可以用L,PI等完成阻抗匹配。 我找到一个教程,它教会了我们理 […]

Continue Reading

Filter Solutions学习-13 Zmatch固定频率的阻抗变换电路的仿真

2025 年 3 月 1 日2025 年 3 月 1 日admin

固定频率点,比如业余的7Mhz,14Mhz。我们可以用L,PI等完成阻抗匹配。 我找到一个教程,它教会了我们理 […]

Continue Reading

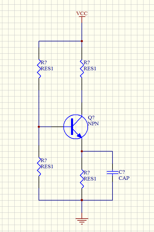
改进招财猫的无稳态多谐振荡电路

2025 年 3 月 1 日2025 年 12 月 14 日admin

招财猫利用一个电磁线圈,让招财猫的手臂不断招手。寓意八方来财。 它的电路是一个无稳态多谐振荡电路。最初的频率非 […]

Continue Reading

如何安装powerbuilder2025 测试版

2025 年 2 月 27 日2025 年 2 月 27 日admin

2025有一些新的特性,大家都很感兴趣。 初安装,一头雾水。我测试了一遍,捣鼓了好几天才安装好。 1)下载 从 […]

Continue Reading

检修一款燃气报警器有图有测试

2025 年 2 月 26 日2025 年 3 月 2 日admin

今天把厨房废弃不用的燃气报警器拆下来研究了一番。 因物业停用了这个报警器的供电(误报比较严重,这个和物业的报警 […]

Continue Reading

燃气热水器的排烟管冒白烟是否正常?

2025 年 2 月 26 日2025 年 2 月 26 日admin

楼下邻居的燃气热水器一直被我认为有问题。 之前它伸出窗很短,基本是出窗30公分。导致我的窗户经常飘进煤气味,而 […]

Continue Reading

让我们为你连接到网络,如何跳过

2025 年 2 月 24 日2025 年 2 月 24 日admin

让我们为你连接到网络,安装win11无法跳过后期再设置 实话说,微软系统都做烂了,还做这种低级的东西。 查攻略 […]

Continue Reading

数字与单片机仿真Proteus学习-01安装Proteus

2025 年 2 月 24 日2025 年 3 月 11 日admin

Proteus非常适合数字电路和单片机仿真。目前单片机是一个仿真的空缺。 虽然我们可以买最小板,但是软件仿真也 […]

Continue Reading

PCB画图软件PROTEL99SE学习-06工具外的功夫

2025 年 2 月 24 日2025 年 2 月 24 日admin

电子技术,从来都不是简单你copy一张图纸这样简单。 功放,图纸很多。做好,很少。 收音机,图纸都几乎开源印到 […]

Continue Reading

powerbuilder能否用于写爬虫或者蜘蛛?

2025 年 2 月 24 日2025 年 2 月 24 日admin

今天被一位pb混淆器客户咨询到关于爬虫(或者蜘蛛)的问题。问pb能否开发? 回答是:不方便用pb,可以用开源的 […]

Continue Reading

powerbuilder11.5与pb11.5如何升级到2019

2025 年 2 月 24 日2025 年 2 月 24 日admin

今天遇到一个客户咨询,要升级11.5到2019开发,只要是看中新版本的ide改进,json支持,嵌入web控件 […]

Continue Reading

专业磁环卖家应该如何标识磁环参数

2025 年 2 月 24 日2025 年 2 月 24 日admin

之前研究这个磁环买了好几种。遇到这几种卖法的。 1)明确标识的。比如NXO-100,NXO-400。 这样写我 […]

Continue Reading

PCB画图软件PROTEL99SE学习-05画出铜箔来

2025 年 2 月 23 日2025 年 2 月 23 日admin

sch设计的是各个器件的电连接。设计的就是各种节点的网络表关系。不管你器件怎么摆放,好看不好看。都不重要。最终 […]

Continue Reading

PCB画图软件PROTEL99SE学习-04给元器件选择封装

2025 年 2 月 23 日2025 年 2 月 23 日admin

元器件的符号只是一种抽象图示块。表明它的功能,名称,多少pin。 实物的pin脚往往是五花八门的。比如电阻来说 […]

Continue Reading

PCB画图软件PROTEL99SE学习-03元件编号

2025 年 2 月 23 日2025 年 2 月 23 日admin

我们插一个元件编号的问题。因为我觉得这个问题比较重要 像我这个图比较简单,就可以R1,2,3,4 C1,Q1这 […]

Continue Reading

PCB画图软件PROTEL99SE学习-02画一个原理图

2025 年 2 月 23 日2025 年 2 月 23 日admin

补充一点,是否需要汉化,汉化的优点缺点。 汉化可以容易找菜单,一般我们用图标和快捷,汉化作用不是太大。根据各人 […]

Continue Reading

如何让一个jpg图片文件变得清晰一些

2025 年 2 月 22 日2025 年 2 月 22 日admin

有时从网上找一个图片,比如抖音里面下一个,人家给的就是模糊的,要清晰的还得加v通过其他渠道获取。麻烦。 比如这 […]

Continue Reading

PCB画图软件PROTEL99SE学习-01安装

2025 年 2 月 21 日2025 年 2 月 21 日admin

我的博客是一个纯自我爱好和学习的总结,也希望别人有幸看到时能有所帮助。 如果要追求专业学习的,可能会买一本书。 […]

Continue Reading

AI成为今年大热点是否可以一夜普及呢?

2025 年 2 月 21 日2025 年 2 月 21 日admin

AI代表未来一个趋势。这个趋势可能会代替一些司空见惯,大家习以为常的一些逻辑判定。 比较容易实现的是一些交互对 […]

Continue Reading

PL600收音机室外空旷地方听中波和长波的噪声

2025 年 2 月 21 日2025 年 2 月 21 日admin

现在城市居住环境集中,小区物业各种大型开关电源用电设备,电梯,供水设备等等。 家庭用电器的开关电源噪声,通过整 […]

Continue Reading

LC串联谐振试验用于直通中波信号

2025 年 2 月 21 日2025 年 2 月 21 日admin

想改造天线,看到R9012上面有一个LC串联谐振接通SW信号到am输入端。 就想研究研究如何LC串联谐振通过中 […]

Continue Reading

锰锌铁氧体磁环的温度特性测试

2025 年 2 月 20 日2025 年 3 月 31 日admin

购买了两种锰锌铁氧体磁环,今天测试一下电感值和温度特性。(为了充分学习使用买的这一堆仪表,否则又要吃灰或者束之 […]

Continue Reading

关闭电脑程序消息打扰的设置

2025 年 2 月 20 日2025 年 3 月 11 日admin

之前没有注意到,只注意到手机的消息提示,非常影响人的专注力。已经全部屏蔽。否则一刻不得安宁。当然可以设置,比如 […]

Continue Reading

PCB画板软件KICAD学习-02 最简单的从原理图到电路板画一个试试

2025 年 2 月 20 日2025 年 2 月 23 日admin

kicad工作时,会打开三个窗口,分别是工程项目管理,sch原理图,pcb电路板。 最开始我还在每个节目去找工 […]

Continue Reading

PCB画板软件KICAD学习-01 下载和安装

2025 年 2 月 19 日2025 年 2 月 23 日admin

来到这个官网,下载安装包。 可以看到这是开源的。开源是一种技术情怀,支持一下。未来开源必将是一个趋势,因为每个 […]

Continue Reading

树杈弹弓是如何制作如何玩的?

2025 年 2 月 19 日2025 年 2 月 19 日admin

首先选择树杈。 在野外,树杈随处可见,不外乎位置高矮的问题。 取下,剥掉树皮,如果树杈的两边稍微往外面伸直,可 […]

Continue Reading

如何卸载微软自带的拼音输入法

2025 年 2 月 19 日2025 年 2 月 20 日admin

系统升级,本来安装了拼音输入法,每次ctrl+空格调出。不调出就是英文。或者是拼音输入法时按shift也是英文 […]

Continue Reading

如何分辨耳机线和喇叭线的正负极

2025 年 2 月 19 日2025 年 2 月 19 日admin

耳机和喇叭的振动单元本身不分正负极的,这是对单个喇叭或者耳机而言。就是单声道。 如果是双声道立体声,或者是2. […]

Continue Reading

VNA操作使用学习-11用频谱仪测试信号源II(网分产生单频点信号源)

2025 年 2 月 19 日2025 年 3 月 10 日admin

频谱仪可以设置扫描的频率范围,有三种模式 1,起止范围 2,中心,频宽 3,单频点 我们设置cw单频点连续信号 […]

Continue Reading

PL600如何加中波室外天线

2025 年 2 月 19 日2025 年 2 月 19 日admin

PL600的天线插座只针对FM和SW。用3.5mm插座引入或者夹到拉杆上面都可以。 中波如何引入呢。因为房间里 […]

Continue Reading

百度搜索什么时间释放一个新的网站内页出来

2025 年 2 月 18 日2025 年 2 月 27 日admin

我想改变网站的内容,因为之前域名是一直售卖软件为主。所以新申请了一个新的域名。 但是,我想说但是。 现在真的不 […]

Continue Reading

Multisim学习-10 从仿真到实践之路如何走

2025 年 2 月 18 日2025 年 2 月 18 日admin

使用multisim,不外乎重理论学习和仿真,这样学习更直观,方便我们解决更多理论的问题。 如果要成为一名电子 […]

Continue Reading

Multisim学习-09 网络分析仪的使用

2025 年 2 月 18 日2025 年 2 月 18 日admin

网络分析仪,射频分析中常用。 当然,滤波器,不论频率高低,我们经常使用。 可以说它是一台高级的万用表。 和信号 […]

Continue Reading

Multisim学习-08 频谱仪的使用

2025 年 2 月 18 日2025 年 2 月 18 日admin

我们07节说到信号过有谐波产生,那如果我们用传统的仪器,比如示波器是只能看到波形失真,却无法直观看到有哪些新的 […]

Continue Reading

Multisim学习-07 失真仪的使用

2025 年 2 月 18 日2025 年 2 月 18 日admin

失真仪是测试在某个频率之外产生的总谐波失真,也就是THD。 我们知道信号过非线性元器件会产生谐波失真,或者是三 […]

Continue Reading

Multisim学习-06 频率计的使用

2025 年 2 月 18 日2025 年 2 月 18 日admin

如果是我们实现一个LC振荡器,或者555振荡器,或者分频器。那如何知道我们产生的频率呢。 方法一,用示波器,当 […]

Continue Reading

Multisim学习-05 波特仪的使用

2025 年 2 月 18 日2025 年 2 月 18 日admin

仪表栏选择这个仪器 它用来显示信号幅度-频率图。也就是我们测试滤波器要使用到的一个仪器。也就是扫频仪,或者是比 […]

Continue Reading

用PL600收听长波的NDB摩尔斯记录

2025 年 2 月 18 日2025 年 2 月 21 日admin

我在成都周边地区。 用PL600收听到长波的摩尔斯信号如下。 1)226Khz 2)275Khz 3)370K […]

Continue Reading

港华燃气的24自助充值和圈存机使用图示

2025 年 2 月 18 日2025 年 2 月 18 日admin

上次圈存,这个机器是吞卡后进行写卡操作的。 遇到这个高级机器操作,卡插进去半天没找到菜单,又没有一个按钮时直接 […]

Continue Reading

Multisim学习-04 示波器的使用

2025 年 2 月 18 日2025 年 2 月 18 日admin

我们选择一个信号源来说明示波器的使用。 模拟电路中平常一般用ac,am,fm,clock就可以演示了。 截图说 […]

Continue Reading

远程桌面无法缩放:放大或缩小文本和其他项目无效

2025 年 2 月 17 日2025 年 2 月 17 日admin

一台win11远程到win7去操作,发觉本机分辨率太高,win7分辨率低,登录后字体非常小,而且无法设置缩放。 […]

Continue Reading

Multisim学习-03 能做到的和不能做到的仿真

2025 年 2 月 16 日2025 年 2 月 16 日admin

频率低的,普通的电路,比如整流,三极管放大,运放,低频振荡,LED显示。这样的应该是没有问题的。 类似开关电源 […]

Continue Reading

Multisim学习-02 曾经做过的多个仿真实例

2025 年 2 月 16 日2025 年 2 月 16 日admin

1)在Multisim中的 Tools»Show Breadboard找不到3D面包板视图的选项。 2)Mul […]

Continue Reading

Multisim学习-01 特点安装使用和第一个仿真实例

2025 年 2 月 16 日2025 年 2 月 16 日admin

我们学习了一堆的理论,但是缺少实践,我们甚至无法熟练测试最基本的电压电流。 电学,仿真很重要。 因为:我们不是 […]

Continue Reading

RFSIM99的学习-03 衰减器设计

2025 年 2 月 16 日2025 年 2 月 16 日admin

我们的某些一起,比如VNA,它虽然功能强大,但是:不能输入太高的功率。比如要求10dbm以下。超过就要损坏器件 […]

Continue Reading

RFSIM99的学习-02 阻抗匹配的设计

2025 年 2 月 16 日2025 年 2 月 16 日admin

我们经常遇到阻抗匹配的问题。 比如我们输入50,输出要200,通讯系统中,阻抗标准很多。并不是我们现在射频仪器 […]

Continue Reading

技术研究所需要的ai以及现在ai的不足

2025 年 2 月 16 日2025 年 2 月 16 日admin

面对普通用户的聊天型机器人ai。比如百度的智能ai回答。 有时感觉倒是能“一言蔽之”地笼统回答一些抽提出来的关 […]

Continue Reading

Advanced Design System(ADS)的学习-01 设计一个简单的三阶带通滤波器

2025 年 2 月 15 日2025 年 5 月 7 日admin

ads有丰富的向导设计滤波器,lna和功放等等。暂且不表。 学习一个最简单的三阶滤波器的仿真先。 仍然以我们之 […]

Continue Reading

RFSIM99的学习-01 针对LC滤波器的初步使用学习

2025 年 2 月 15 日2025 年 2 月 15 日admin

rfsim99看软件名,主要是用于射频仿真。这个大家有兴趣可以学习学习。 在tools菜单中有design三个 […]

Continue Reading

Filter Solutions学习-12 电感绕制参数的计算

2025 年 2 月 15 日2025 年 2 月 16 日admin

电感在某些板上过滤器是用线绕贴片电感。这个体积小,Q低,我们不讨论。 如果需要较高的Q,就可以自己绕制空心或者 […]

Continue Reading

Filter Solutions学习-11 哪里找详细的入门教程

2025 年 2 月 15 日2025 年 2 月 15 日admin

网上直接找教程,只能找到一个比较好的有对界面英语进行翻译说明的文档,除此之外,几乎没有找到任何教程。 软件自带 […]

Continue Reading

Filter Solutions学习-10 设计分布式滤波器

2025 年 2 月 15 日2025 年 2 月 15 日admin

分布式的滤波器适合频率高,分立元件体积太大不仅难于制作值比较小的元件,而且分布的参数让情况变得很复杂。 比如: […]

Continue Reading

Filter Solutions学习-09 设计滤波器的其他相关工具介绍

2025 年 2 月 14 日2025 年 2 月 14 日admin

作为一个完美的文章教程和总结,我打算写得仔细点,也不枉自己研究一番。久了自己回头来看看,也是一篇很好的学习总结 […]

Continue Reading

Filter Solutions学习-08 实际调试一个滤波器的总结

2025 年 2 月 14 日2025 年 2 月 14 日admin

之前写了一篇调试的详细文章,可以参考: http://mis2erp.com/archives/295.htm […]

Continue Reading

Filter Solution学习-07分布式滤波器存在的问题

2025 年 2 月 13 日2025 年 2 月 14 日admin

来看看分布式的。 问题1) 一个设计只能针对一个运用,一个频率点,一个定制。这样批量小的时候很不现实。一些常用 […]

Continue Reading

Filter Solutions学习-06拟合出的电路参数值该如何调整到最佳

2025 年 2 月 13 日2025 年 2 月 14 日admin

我们知道元器件有系列,仿真值不是真实值,我们取标准值后,会与仿真理论值相差太多。 问题1)中心值的相互积不变的 […]

Continue Reading

Filter Solutions学习-05拟合出的电路需要什么调整

2025 年 2 月 13 日2025 年 2 月 14 日admin

比如这个电路, 我拿来过滤出纯净的100Mhz信号。 是一个简单的练手滤波器。 问题1)第一个元器件是并联还是 […]

Continue Reading

Filter Solutions学习-04这个工具适合设计什么形式的滤波器

2025 年 2 月 13 日2025 年 2 月 14 日admin

这个工具很成熟,也经历了很多个版本。 它可以设计集总参数的LC滤波器,有人做到几百兆,有人做到1G,有人做到3 […]

Continue Reading

Filter Solutions学习-03如何选择滤波器类型

2025 年 2 月 13 日2025 年 2 月 14 日admin

设计滤波器首先就遇到第一个问题是使用何种函数类型的滤波器呢? 其实我们没有什么选择的多少余地。 因为: 1)每 […]

Continue Reading

网络传媒时代我们应该如何关注信息

2025 年 2 月 12 日2025 年 2 月 16 日admin

现在是一个网络极度发达的时代。 世界发生什么热点,我们马上刷到。 美国总体喜欢在网上发布自己的言论。 每天都有 […]

Continue Reading

反锁门指示灯方案三个

2025 年 2 月 12 日2025 年 2 月 12 日admin

晚上睡觉之前必须反锁大门才安全,不然,分分钟可以被捅开大门。 安全,非常重要。 掉过东西,印象深刻。 方案一: […]

Continue Reading

小电容在不同频率下的容量差异

2025 年 2 月 12 日2025 年 2 月 12 日admin

普通民用电容测量仪器,频率100Khz。 或者说再高点,1Mhz。 和厂家的测试标准相比,还是太低。厂家可以在 […]

Continue Reading

电瓶车大灯供电电压是多少伏

2025 年 2 月 11 日2025 年 2 月 11 日admin

为了安装这个外置灯: 购买时说的是支持12-60v,怕烧坏,我先测量一下电瓶车的大灯供电电压。 测试结果,倍特 […]

Continue Reading

破解www.elecfans.com的【阅读全文】按钮

2025 年 2 月 9 日2025 年 2 月 9 日admin

这个网站有个毛病,文章必须登录才能阅读完整。但是:有个方法可以直接阅读而不注册登录。 方法: 点这里刷新: 然 […]

Continue Reading

是否还存在模拟电视信号?

2025 年 2 月 9 日2025 年 2 月 9 日admin

有个网友说他的R1012收音机还能接收到模拟的tv信号,频率56-220Mhz。 R1012的波段范围: 调频 […]

Continue Reading

删除window.old文件夹时:需要administrators的权限.进行更改

2025 年 2 月 9 日2025 年 2 月 9 日admin

系统升级后,产生一个window.old备份。默认又不自己清理。占用了空间,我的200G的c盘都没有剩余了。 […]

Continue Reading

VNA操作使用学习-07测收音机R9012的天线输入特性

2025 年 2 月 7 日2025 年 3 月 10 日admin

今天好奇,用S11参数来测一下德生R9012的天线输入特性。 收音机关机,波段开关分别置于fm,mw,sw(选 […]

Continue Reading

车削铅笔的最佳工具推荐

2025 年 2 月 7 日2025 年 2 月 7 日admin

1。 转笔刀 透明的这种最好用。 2。长刀片车笔刀 方便携带,使用方便。 普通的车笔刀,只有一颗螺丝,刀片短, […]

Continue Reading

个人网站被百度收录的最长时间大概多久

2025 年 2 月 5 日2025 年 2 月 5 日admin

根据大家的经验,最短要1-3个月才放出主页。 而需要更长时间才能放出内页。 你当前看到这个网页,在谷歌已经收录 […]

Continue Reading

Markdown(.md)文件如何贴到wordpress中

2025 年 2 月 4 日2025 年 2 月 4 日admin

Markdown因为编辑文档简单,重内容条例而轻繁复的格式化。所以运用非常普遍。 我有几个之前用typora这 […]

Continue Reading

DeepSeek,ChatGPT,AI的优点和弱点及如何运用

2025 年 2 月 4 日2025 年 2 月 4 日admin

DeepSeek,ChatGPT,AI是基于对人类的已有认知的汇总归纳预见。 seek,我们知道字面意思只是一 […]

Continue Reading

什么样的中性笔好写字?

2025 年 2 月 4 日2025 年 2 月 4 日admin

小孩上学买了很多种笔,谈点体会。 一。笔芯粗细 常规三种:0.5,0,7,0.38 书法0.7的子弹头。写书法 […]

Continue Reading

SQL教程-安装与操作-SQL2000的Profile工具使用

2025 年 2 月 2 日2025 年 2 月 4 日admin

这是一个非常有用的工具。 比如我们查看第三方程序里面执行的语句; 我们修改程序出了bug,变量带入后最终语句是 […]

Continue Reading

SQL教程-安装与操作-SQL2000的管理工具的使用

2025 年 2 月 2 日2025 年 2 月 4 日admin

SQL2000作为企业数据库管理工具,它配备了常用的工具,做到了傻瓜式的集中统一。 集中注意力在业务逻辑,而不 […]

Continue Reading

SQL教程-安装与操作-SQL2000的安装

2025 年 2 月 2 日2025 年 2 月 4 日admin

虽然2000是很老很老的数据库版本,但是在之前企业的mrp和erp运用中,sql2000也是独当一面的。可以说 […]

Continue Reading

数据库SQL2000最基本的安装和操作教程详细多图

2025 年 2 月 2 日2025 年 2 月 4 日admin

以下操作,都是小型系统开发用到的SQL2000必知必会的知识。平日开发会频繁地用到,必须熟练掌握。 1.&nb […]

Continue Reading

我认为基金定投不靠谱的理由

2025 年 2 月 2 日2025 年 2 月 2 日admin

定投的原则是:定期投入,必要时加倍。 我觉得定投的理论是为了迎合多数缺少时间管理的客户需求。是机构销售的一个促 […]

Continue Reading

手动调谐室外天线的效果

2025 年 1 月 31 日2025 年 2 月 6 日admin

先放两个天调的电路如下: π型,此图的优点是用空气电容两个,然后是多抽头大的空心电感。 L型,此图优点是扩展电 […]

Continue Reading

20250131金价创新高预示着金价的最后一哆嗦

2025 年 1 月 31 日2025 年 1 月 31 日admin

过去我曾经买了点纸黄金,以为价格会经常剧烈变化,可以赚点钱。结果,一放一两年纹丝不动。连利息都得不到。 3,4 […]

Continue Reading

适合城市楼房与高层建筑的短波天线材料

2025 年 1 月 29 日2025 年 1 月 29 日admin

查看网络视频和经验文章,找到了适合高楼建筑的HF短波天线架设材料。 1。 鱼竿,如果要导电的就是碳素,不导电的 […]

Continue Reading

某度对老站和新站的内页迟迟不显示的原因

2025 年 1 月 27 日2025 年 2 月 2 日admin

有的说是什么考察期,开玩笑,对比某歌。那速度,你天天更新也能给你更新同步。只要你是真实的文章,不是码字。 要我 […]

Continue Reading

为什么镀银线容易产生黑色表面

2025 年 1 月 27 日2025 年 1 月 27 日admin

导线表面镀银,比如短波天线,谐振线。镀银是提高表面导电性,对抗高频的趋表效应。 镀银其实是不得已的线径小的情况 […]

Continue Reading

基金到底跟什么参数相关

2025 年 1 月 27 日2025 年 2 月 2 日admin

首先说保本问题。 如果要保本,就存一些余额宝之类的,转入转出不要手续费,还能先用信用卡,信用贷付款,享受工资的 […]

Continue Reading

宝塔面板的NGINX重启电脑后无法自启动

2025 年 1 月 26 日2025 年 1 月 26 日admin

今天维护服务器重启了电脑,重启后网站无法访问,急忙打开宝塔看到nginx是停止状态。 在系统服务里面看,ngi […]

Continue Reading

如何卸载电视机自带的垃圾APP和安装第三方APP

2025 年 1 月 26 日2025 年 1 月 26 日admin

首先,如何打开电视的adb选项: 其次,如何操控: 我们通常很记恨开机广告,和优化时可以清理掉很多后台app。 […]

Continue Reading

可用于个人的基金投资低买高卖的简单原则

2025 年 1 月 26 日2025 年 1 月 31 日admin

今天学到一个原则, https://baijiahao.baidu.com/s?id=178514850166 […]

Continue Reading

烟蒂价值投资理念存在的几个问题

2025 年 1 月 26 日2025 年 1 月 31 日admin

一。经济没有萧条,通常的轮回,跌得不够深,没有出现真正的有价值烟蒂。这就涉及到一个是否满地是烟蒂的问题,是否有 […]

Continue Reading

巴菲特的理念能用于基金的几条

2025 年 1 月 26 日2025 年 1 月 31 日admin

巴菲特有很多理念,原则,大家都总结了很多。基金方面我认为有用的可操作的有这样几条: 1)价值投资 当前低估,而 […]

Continue Reading

对于过去N年基金操作的检讨和思考

2025 年 1 月 25 日2025 年 1 月 31 日admin

买这个基金作为投资和学习有很长时间了。时间都超过很多基金经理的从业时间了。 有点感慨,也有思考和检讨。 如上图 […]

Continue Reading

如何让蓝泡泡清洁球使用时间变得更长

2025 年 1 月 21 日2025 年 1 月 31 日admin

现在超市普通售卖的是圆饼型的蓝泡泡。 但是这个蓝泡泡非常不经用,家里面如果是四个人,洗手间使用频率很高,要不了 […]

Continue Reading

油炸带鱼段的做法

2025 年 1 月 21 日2025 年 1 月 31 日admin

材料:冰冻带鱼段,姜,葱头,蒜,酱油,料酒,盐,花椒粉,胡椒粉。 做法: 带鱼段如果是有肚子部分,刀划开,清理 […]

Continue Reading

在某鱼购买比较便宜的德生收音机来听听和拆拆

2025 年 1 月 20 日2025 年 1 月 20 日admin

我偶尔看到德生的收音机在某鱼比较便宜,就买了几个来研究。 如果只是为了打开听听,拆开看看,对比一下电路和工艺, […]

Continue Reading

咽干咽痒喉咙肿痛的一些辅助药物

2025 年 1 月 20 日2025 年 1 月 23 日admin

冬天是咽干咽痒喉咙肿痛,咳嗽多痰的季节。 一些常用的药物包括 水果:雪梨,香梨,苹果,香蕉。不错。但是这些都比 […]

Continue Reading

2025学习到基金的几个原则

2025 年 1 月 19 日2025 年 2 月 2 日admin

买基金已经好多年了,感觉到自己非常不成熟。虽然经历过几次涨跌,但是仍然不够成熟。 所以要学习一下。 以下是学习 […]

Continue Reading

个人使用的pcb画图软件学习

2025 年 1 月 18 日2025 年 1 月 19 日admin

我个人接触过,就是这几种 1。 protel的旧版本从99se开始 2。 AD旧版本到最新版本 3。 Powe […]

Continue Reading

如何改收音机成为航空波段收音机

2025 年 1 月 13 日2025 年 1 月 13 日admin

方案一,有人尝试过了,就是把FM波段的线圈剪掉2匝,做成118-137Mhz范围的接收机。这个问题是 1,检波 […]

Continue Reading

给德生R9012增加中波外置天线(拉杆馈入)

2025 年 1 月 13 日2025 年 1 月 20 日admin

我的卧室处理楼的一个凹处。接收中波很尴尬。 当然整个房子内部接收中波都是很尴尬,非要把收音机拿出防护栏才能接收 […]

Continue Reading

如何打开德生收音机电池盖

2025 年 1 月 11 日2025 年 1 月 11 日admin

之前的小机器,轻松打开,今天收了这个PL600的,电池盖非常厚,很硬,卡得很严密。 小白操作,我真的都不容易打 […]

Continue Reading

快来看LC200A电感电容测试仪内部照片高清

2025 年 1 月 11 日2025 年 3 月 13 日admin

咸*入一个二手的LC200A电感电容测试仪,有网友非要看看内部的图片,有的要看看内部用的什么样的标准电感和电容 […]

Continue Reading

听LW长波段听NDB信号如何用楼顶的避雷线做天线增强信号

2025 年 1 月 9 日2025 年 1 月 9 日admin

首先声明,楼顶只能在无雷雨的晴朗天气上去。而且是能上人的楼顶才能去。 特别注意。 LW波段在国内没有电台,据说 […]

Continue Reading

Filter Solutions学习-02 【高级设计】界面介绍

2025 年 1 月 9 日2025 年 2 月 14 日admin

这是高级界面的各种控件的功能。 其中说一下filter type。这不是根据自己想当然决定的,而是根据实际的需 […]

Continue Reading

Filter Solutions学习-01 两个设计界面

2025 年 1 月 9 日2025 年 2 月 14 日admin

第一个界面:是filter Quick。就是比较图示化的图标和设置。也显得比较简单,参数表格化。也没有更多的细 […]

Continue Reading

示波器测试几种波形大图详细

2024 年 12 月 26 日2024 年 12 月 26 日admin

示波器是hantek 250M,表笔是替代品200M的。高阻。 1。 测试一台频率计自带的10M校对频率信号: […]

Continue Reading

额温枪无法代替传统体温计给病人测量温度

2024 年 12 月 26 日2024 年 12 月 27 日admin

家里有两个额温腔。 今天小孩病了有点发烧。 用体温计测量38-39度。用额温枪测试仍然是36.5,标准哦??简 […]

Continue Reading

如何维修收音机音量电位器喀拉喀拉的故障

2024 年 12 月 24 日2024 年 12 月 24 日admin

新买的德生9012可能是存久了的库存机,买来音量电位器有点失控,会突然大声,音量控制不连续。 拆解用酒精清洗了 […]

Continue Reading

pb反编译,pb加密,powerbuilder,pb开发的软件

2024 年 12 月 16 日2024 年 12 月 16 日admin

pbd反编译工具 http://pb.mis2erp.com/pagecn.php Pb编辑软件 pb编程 用 […]

Continue Reading

433Mhz遥控器频谱图

2024 年 12 月 13 日2024 年 12 月 13 日admin

我们测试了一个433遥控器的频谱仪图。 测试过程中,发现如果长按几十秒,波会暂停,不知道是不是电池不能持续供电 […]

Continue Reading

硅胶袋上面画上中性笔用什么祛除有效

2024 年 12 月 8 日2024 年 12 月 8 日admin

硅胶热水袋上面被画了中性笔印记,测试一下用什么能清除。 首先用洗洁精,肥皂,无效果。中性笔印记好像印上去一样稳 […]

Continue Reading

电感电容表的精度到底怎么计算

2024 年 12 月 8 日2024 年 12 月 8 日admin

想买一只能测了小电容电感的表,之前有一只,但是最低档位是200pf和200uh的,虽然能勉强测试十几,几十pf […]

Continue Reading

PowerBuilder反编译工具实战:从.pbd和.dll到源代码

2024 年 12 月 8 日2024 年 12 月 8 日admin

最近在做PB的项目,该项目只有PBD文件,而没有源码,只能通过反编译PBD文件查看源码,逐步恢复该项目,由于之 […]

Continue Reading

PB(PowerBuilder)做的系统,反编译后结构如图所示,现要按此结构重新开发生成abcd.exe和dll文件,怎样做

2024 年 12 月 8 日2024 年 12 月 8 日admin

首先用反编译导出项目的工程 工具可以从这里下载: https://download.csdn.net/down […]

Continue Reading

金卡天然气表(gold card)的使用方法以及待机电流和妙用

2024 年 12 月 8 日2024 年 12 月 8 日admin

安装和取下电池后,内部的气阀会关闭。 这时,安装好电池并让它接触良好,然后看屏幕是否有“低压”的提示,有的话需 […]

Continue Reading

电感的实际测试频率是多少?

2024 年 12 月 8 日2024 年 12 月 8 日admin

最近一直在群里面讨论在有限资金条件下,怎么测小的电感电容的问题。有人说自己有电感表,电容表,还有的有台式电桥。 […]

Continue Reading

修理一个433Mhz遥控器无法遥控和接触不良的故障

2024 年 12 月 8 日2024 年 12 月 8 日admin

修了一个遥控器,故障表现为其中一个硅胶按键接触不良,使劲按压,却是时而可以时而无法遥控。另外一个为完全无法遥控 […]

Continue Reading

WordPress设置固定链接形式后出现404错误

2024 年 12 月 8 日2024 年 12 月 8 日admin

比如固定连接设置为 /archives/%post_id%.html 这种形式,看起来比较舒服。对搜 […]

Continue Reading

WordPress阅读文章显示太慢的处理

2024 年 12 月 8 日2024 年 12 月 10 日admin

有两种方式, 动态都变成html,不再查数据库就快了。 安装了Staatic – Static S […]

Continue Reading

购买国外轻量服务器做网页服务器以及跟虚拟主机的对比

2024 年 12 月 8 日2024 年 12 月 8 日admin

之前挂了两个自己的产品网页,最近不想租用虚拟主机空间了。想租一个最便宜的轻量服务器来安装。 虚拟主机空间最低3 […]

Continue Reading

VNA操作使用学习-06测量SAW的特性曲线

2024 年 12 月 8 日2025 年 3 月 10 日admin

saw是声表面滤波器。315和433常用于遥控稳频。 先用线焊接到输入和输出,测s11还不行,然后焊接到输入和 […]

Continue Reading

黄铜片能否焊锡的试验

2024 年 12 月 8 日2024 年 12 月 8 日admin

之前买了一米的黄铜片做实验,但是忽略了能否焊接这个问题,因为红铜是可以直接焊接的,而且焊接特性特别好,那黄铜之 […]

Continue Reading

PB+datawindow 反编译

2024 年 11 月 18 日2024 年 11 月 18 日admin

datawindow 反编译 PB的datawindow的反编译恢复,借用的是其自身提供的一个函数取得语法并恢 […]

Continue Reading

苹果AppStore应用商店生存之道

2024 年 11 月 18 日2024 年 11 月 18 日admin

 http://www.kaixin001.com/repaste/157101_540363898 […]

Continue Reading

安装VMware Workstation提示the msi failed错误

2024 年 11 月 18 日2024 年 11 月 18 日admin

http://www.xiaopeiqing.com/posts/626.html 打算在虚拟机上安装苹果。结 […]

Continue Reading

在一台联想3000G430 T1600笔记本上安装黑苹果(东皇v10.6.3)成功

2024 年 11 月 18 日2024 年 11 月 18 日admin

显卡补了一下驱动,未果,还是只1024*768,因为屏幕是宽屏,看起来不爽。 网卡网上有bcm5906的。安装 […]

Continue Reading

Powershield无法支持Try…Catch…结构

2024 年 11 月 18 日2024 年 11 月 18 日admin

Powershield无法支持Try…Catch…结构。 Powershield在切分代码时,它未修正try的 […]

Continue Reading

关于用迅雷会下载到比较旧的资源版本?

2024 年 11 月 18 日2024 年 11 月 18 日admin

关于用迅雷会下载到比较旧的资源版本? 以前在网站上更新软件比较频繁时,遇到过此问题。 有个链接这样解释和操作, […]

Continue Reading

app 开发的几点

2024 年 11 月 18 日2024 年 11 月 18 日admin

原文见:http://app開發.tw/ 我总结了几句话,以便自己学习遵从: 1. 行销和推广才是app赢得市 […]

Continue Reading

HP compaq nx9010待机后无法唤醒

2024 年 11 月 18 日2024 年 11 月 18 日admin

自己家里有个旧电脑是这个型号,复制这个问题到这里备查。 HP compaq nx9010待机后无法唤醒,尝试了 […]

Continue Reading

PB混淆加密大师[PB Obfuscator] V2012.08.06最新测试版/正式版

2024 年 11 月 18 日2024 年 11 月 18 日admin

PB混淆加密大师[PB Obfuscator] V2012.08.06最新测试版/正式版 本次升级增加工程配置 […]

Continue Reading

安装两个BCB6控件SynEdit、mwEdit 0.92a的过程总结

2024 年 11 月 18 日2024 年 11 月 18 日admin

fm: http://www.daxia.com/bibis/moredata30_1440875_ […]

Continue Reading

搜狗输入法开启致使BCB6.0无法用自动提示

2024 年 11 月 18 日2024 年 11 月 18 日admin

BCB6中如果开启搜狗拼音输入法,并切换到英文输入状态下,是无法在”.”后面提示属性和 […]

Continue Reading

Powershield一个疑似的BUG

2024 年 11 月 18 日2024 年 11 月 18 日admin

在分析Powershield保护过的代码时,遇到非常低概率地出现了如下错误的跳转: GET BOOL_TRUE […]

Continue Reading

PB编译器出现低概率的编译错误

2024 年 11 月 18 日2024 年 11 月 18 日admin

在研究反编译的过程中(PB反编译大师从这里下载),发现PB 12.1 6875编译的一个文件,本意要实现如下代 […]

Continue Reading

BCB6.0 鼠标移动到变量上无法查看变量的值

2024 年 11 月 18 日2024 年 11 月 18 日admin

发觉try中声明的变量,鼠标移动到变量上无法查看变量的值,inspect和evaluate都是这样。 将变量剪 […]

Continue Reading

关于如何在BCB中使用CodeGuard

2024 年 11 月 18 日2024 年 11 月 18 日admin

fm: http://www.189works.com/article-42035-1.html 关 […]

Continue Reading

BCB6.0 Import Type Library Excel2003时报错:因为我安装了Excel2007兼容包 的缘故

2024 年 11 月 18 日2024 年 11 月 18 日admin

BCB6.0 Import Type Library Excel2003时报错:因为我安装了Excel2007 […]

Continue Reading

userobject的autoinstantiate和constructor问题

2024 年 11 月 18 日2024 年 11 月 18 日admin

uo的autoinstantiate如果勾选,constructor中的代码是不执行的。 如果autoinst […]

Continue Reading

fn_listextendedproperty返回不完整的问题

2024 年 11 月 18 日2024 年 11 月 18 日admin

SELECT valueinto :ls_descFROM ::fn_listextendedproperty […]

Continue Reading

用控件指针操控窗体的控件的问题

2024 年 11 月 18 日2024 年 11 月 18 日admin

在uo_1中 //instance var datawindow dw_handle //constructo […]

Continue Reading

关于blobmid和getbytearray效率

2024 年 11 月 18 日2024 年 11 月 18 日admin

关于blobmid和getbytearray效率 最近做一个关于json字符串的解析(pb这方便无法和php这 […]

Continue Reading

关于PB ClipBoard在datawindow中不成功的原因

2024 年 11 月 18 日2024 年 11 月 18 日admin

PB Clipboard函数 ,OBJECT 转载来源:  http://hi.baidu […]

Continue Reading

PB连接非默认实例

2024 年 11 月 18 日2024 年 11 月 18 日admin

PB连接非默认实例,以开发版2005为例,因为机器安装有sql2000故安装时sql2005安装为非默认实例, […]

Continue Reading

MSSQL与UNIX时间戳

2024 年 11 月 18 日2024 年 11 月 18 日admin

MSSQL与UNIX时间戳 http://hi.baidu.com/kcloze/item/4bc6dbdf6 […]

Continue Reading

win7 64位上安装pb9.0和12.5如何连接oracle11g

2024 年 11 月 18 日2024 年 11 月 18 日admin

工作中用mssql比较多,今天学习oracle。尝试在9和12.5中连接oracle。 2.用em建立了表空间 […]

Continue Reading

Inno Setup 5.0打包时无法包括隐藏文件

2024 年 11 月 18 日2024 年 11 月 18 日admin

Inno Setup 5.0打包时无法包括隐藏文件 我平时很少做安装包,初次尝试用inno setup 遇到一 […]

Continue Reading

PB Post到PHP接口时无法从_POST数组取值

2024 年 11 月 18 日2024 年 11 月 18 日admin

<?php/*PB POST可以正常上传数据,但是无法放入数组中(PB中不知道怎么指定MIME),PHP […]

Continue Reading

借助apache来实现下载后台程序导出的excel文件

2024 年 11 月 18 日2024 年 11 月 18 日admin

在pb客户端模式需要查询客户详单,因为详单是分布在几十台通讯主机上面,前台只是发送一条申请记录,数据录入时触发 […]

Continue Reading

PB inet组件 Post给php时怎么接收

2024 年 11 月 18 日2024 年 11 月 18 日admin

最近接触了pb的inet组件调用和提交java写的接口。对于单条数据可以说非常好,取和发送都很成功,没有什么问 […]

Continue Reading

第一次使用linux并编写了一个dump mysql的程序,记录下简单的步骤

2024 年 11 月 18 日2024 年 11 月 18 日admin

机器安装linux redhat5.0 64位。客户管理员给了我账户密码,我用SecureCRT登录。 连接后 […]

Continue Reading

PowerBuilder12.5和PowerBuilder12.6数据管道的问题

2024 年 11 月 18 日2024 年 11 月 18 日admin

PowerBuilder12.5和PowerBuilder12.6数据管道的问题 涉及到读取mysql的数据表 […]

Continue Reading

Postgres SQL 试用安装

2024 年 11 月 18 日2024 年 11 月 18 日admin

第一次在win7安装了postgresql 64位。安装很成功,选择的是中文新加坡。(还需要多少年,才能在语言 […]

Continue Reading

我构想的CW通讯莫尔斯编码

2024 年 11 月 18 日2024 年 11 月 18 日admin

我构想的CW通讯莫尔斯编码 莫尔斯码已有百年。大家也许听说过泰坦尼克发送sos的故事。也听说过日本人质眨眼说不 […]

Continue Reading

路由器开启WDS模式扩展WIFI覆盖范围

2024 年 11 月 18 日2024 年 11 月 18 日admin

房子很小,但是卧室与客厅存在浇筑墙体,屏蔽很严重。一个路由器放在阳台的书桌下面,无法很好的覆盖卧室的角落。 正 […]

Continue Reading

联想电脑V1000开机无法使用wifi非要睡眠后才能启用wifi

2024 年 11 月 18 日2024 年 11 月 18 日admin

默认使用了系统自带的电源管理,默认状态下开机时wifi和蓝牙都处于关闭状态。 搜索下载安装:LenovoEM- […]

Continue Reading

使用大漠插件操作VB程序

2024 年 11 月 18 日2024 年 11 月 18 日admin

有一个VB的程序是操控机器的。需要选择电脑上的文件。需要其他程序直接控制它而不用人工选择。参考了一些资料,说v […]

Continue Reading

如何指示南北方向?一款适合少年儿童的科技制作

2024 年 11 月 18 日2024 年 11 月 18 日admin

我们知道,古人很早发明了指南针,指南车,用于行军打仗,航海。也用于建筑,勘测,日常生活。 最原始的磁铁是用铁做 […]

Continue Reading

声音从哪来?一款适合少年儿童的趣味科技制作

2024 年 11 月 18 日2024 年 11 月 18 日admin

我们知道声音来自于振动。 就是在单位时间内重复产生幅度的变化多少次,就能产生声音。 我们人耳能听的范围有限大概 […]

Continue Reading

Datawindow通过Json接口实现数据操作时(三层)PHP5.2 json_encode时发现汉字转换成了\u表示的处理方法

2024 年 11 月 17 日2024 年 11 月 17 日admin

网上找出了两种方式处理: 正确写法如下:$jsons = json_encode($array); //php […]

Continue Reading

PB互联网三层方案Datawindow+Json+Php+Apache+MSSQL+云主机

2024 年 11 月 17 日2024 年 11 月 17 日admin

为了不使用直连来使用dw。我最近两周特别测试书写了一个datawindowJson控件,借用dw显示编辑作为前 […]

Continue Reading

MS17-010特别版补丁NSA漏洞

2024 年 11 月 17 日2024 年 11 月 17 日admin

转自:www.zlankj.com/newsview_99.html 1、确保135,137,139,445端 […]

Continue Reading

关于NSA病毒的启示:由硬件到软件的自主化和基于安全的特殊订制化会不会是一个必然趋势?

2024 年 11 月 17 日2024 年 11 月 17 日admin

最近爆发大规模的NSA病毒。这是一个常规的病毒攻击。但是出现了戏剧性的弹出界面表现非常恶劣。之前的病毒不外乎获 […]

Continue Reading

yield在大循环中需要注意的一个情况

2024 年 11 月 17 日2024 年 11 月 17 日admin

yield通常用于大循环中释放控制权,让界面鼠标得到刷新避免”卡死“。 比如 uf_fill_data{ dw […]

Continue Reading

Datawindow Grid风格放按钮时不触发buttonclick事件

2024 年 11 月 17 日2024 年 11 月 17 日admin

Grid时放入按钮如果在栏位上面,会无法触发buttonclick事件。可以放在最后一个栏位后面。也可以放入一 […]

Continue Reading

window2008R2 remoteapp:RD Web 访问要求 Internet Explorer 6.0 或更高版本

2024 年 11 月 17 日2024 年 11 月 17 日admin

window2008r2设置了remoteapp发布到iis中,本机是ie11,访问时无法显示出发布过的app […]

Continue Reading

PHP字符集转换问题

2024 年 11 月 17 日2024 年 11 月 17 日admin

如这个名字:杨珮琴 function gb2312toutf8(&$value, &$key, […]

Continue Reading

一个工厂的网络实践,原本简单的网络被搞得如此复杂

2024 年 11 月 17 日2024 年 11 月 17 日admin

最近一个客户工厂,网络极其慢,慢到ping服务器也出现掉包,直接访问会转圈20秒。比走路的速度慢。网络实在没法 […]

Continue Reading

SQL中对比两个表格中的汉字列

2024 年 11 月 17 日2024 年 11 月 17 日admin

比如有两个表格,假设说一个为电子表格,一个是手工书写的表格。需要看手写表格中的名字是否在电子表格中存在。当他们 […]

Continue Reading

服务端frps和客户端frpc在Linux和Windows下开机启动并隐藏启动的方法

2024 年 11 月 17 日2024 年 11 月 17 日admin

转载来源:https://www.xxorg.com/archives/4184 frp安装好了。服务器也设置 […]

Continue Reading

PB自定义事件的妙用

2024 年 11 月 17 日2024 年 11 月 17 日admin

fm: https://blog.csdn.net/anyqu/article/details/39 […]

Continue Reading

PB9.0 CrossTab设置栏位visible时很慢和崩溃的问题

2024 年 11 月 17 日2024 年 11 月 17 日admin

int coldw[] = {5,6,7,8,9,10,11,12,13,14,15,16,17,18,19, […]

Continue Reading

因为PB工具的DLL不一致造成的问题

2024 年 11 月 17 日2024 年 11 月 17 日admin

经常维护一些老版本的PB写的软件,比如PB7.0遇到了无缘无故程序崩溃的问题。特点就是修改后保存时崩溃,或者对 […]

Continue Reading

对于Scratch这个儿童编程工具的看法

2024 年 11 月 17 日2024 年 11 月 17 日admin

不少资料把:Scratch这个儿童编程工具吹上了天。难于估计全社会有多少拥趸,投入多少金钱和精力学之。 但是看 […]

Continue Reading

关于PB编译DLL非常大概率要失败的疑问

2024 年 11 月 17 日2024 年 11 月 17 日admin

之前尝试把自己的项目编译成DLL,结果出来一堆的错误提示,搜索互联网也没有解决方案。 今天遇到一位朋友,他的项 […]

Continue Reading

win7上无法卸载和安装IE11的处理(来自某经验)

2024 年 11 月 17 日2024 年 11 月 17 日admin

在出现的命令行提示符中复制,右击选择粘贴,贴入下面的代码,按下Enter。 “FORFILES /P %WIN […]

Continue Reading

浏览器首页被恶意篡改为tb.5258.cc并跳转到其他的网址

2024 年 11 月 17 日2024 年 11 月 17 日admin

刚做完的win7系统浏览器首页被恶意篡改为tb.5258.cc并跳转到其他的网址 IE是这样,安装chrome […]

Continue Reading

原 Powerbuilder混淆,加密(powerbuilder防止反编译,pb混淆器,PB加壳,支持5-12) 改进版本效果图

2024 年 11 月 17 日2024 年 11 月 17 日admin

新版增加了自动插入逻辑陷阱变量等功能。并强化了30-50行短代码的阻止效果。并保障每个代码段都插入阻止点。 这 […]

Continue Reading

datawindow.table.select的一个使用错误

2024 年 11 月 17 日2024 年 11 月 17 日admin

dw.describe(“datawindow.table.select”)使用时发现 […]

Continue Reading

打开浏览器时主页被锁定怎么也改不掉的一个好办法

2024 年 11 月 17 日2025 年 2 月 2 日admin

安装了chorme和uc浏览器。很容易被锁定主页,每次打开设置回空白主页也无济于事。 搜到一个好的经验方法。就 […]

Continue Reading

阿里云主机安装serv-u FTP服务器如何设置

2024 年 11 月 17 日2024 年 11 月 17 日admin

安装serv-u是很简单的。安装时端口修改为1100,指定传输端口为1101-1105,这样方便设置防火墙的端 […]

Continue Reading

安装SQL2008 1316错误

2024 年 11 月 17 日2024 年 11 月 17 日admin

安装sql2008时,出现1316指定的账户已存在。 按照一篇文章的指引, 运行:安装路径\2052_CHS_ […]

Continue Reading

在w_main中的open事件中无法opensheet+Layered!打开第一个子窗口

2024 年 11 月 17 日2024 年 11 月 17 日admin

调试发现,执行open事件的末尾用opensheet+Layered! 无法打开第一个子窗口w_child。 […]

Continue Reading
2024 年 11 月 17 日2024 年 11 月 17 日admin

最近在做PB的项目,该项目只有PBD文件,而没有源码,只能通过反编译PBD文件查看源码,逐步恢复该项目,由于之 […]

Continue Reading

Bat批处理文件调用服务器的PHP文件时所遇到的问题

2024 年 11 月 17 日2024 年 11 月 17 日admin

原来的写法如此,执行时无法删除临时文件。 @echo offstart “” &#82 […]

Continue Reading

Powerbuilder 或 C++ Builder 6.0在Win7下如何使用帮助Help

2024 年 11 月 17 日2024 年 11 月 17 日admin

转载自: https://www.cnblogs.com/azbane/p/7326086.html […]

Continue Reading

创建BMP文件时需要了解和掌握的数据格式

2024 年 11 月 17 日2024 年 11 月 17 日admin

FILE *fp; // 定义一个文件指针BMP_HEADER bmpHeader; // 定义一个 BMP […]

Continue Reading

8位bmp图片格式详细说明文档

2024 年 11 月 17 日2024 年 11 月 17 日admin

来自: 天苍野茫的CSDN博客:http://blog.csdn.net/ichen86/article/de […]

Continue Reading

使用frp实现内网从外网可以访问局域网内部的无固定公网IP地址的服务器

2024 年 11 月 17 日2024 年 11 月 17 日admin

之前在群里面有热心的朋友给我推荐了这个frp。 试用之后觉得非常好。 曾几何时,宽带有固定IP地址,可以直接映 […]

Continue Reading

指定Webbrowser控件所用IE内核版本

2024 年 11 月 17 日2024 年 11 月 17 日admin

转自 https://blog.csdn.net/harbinzju/article/details […]

Continue Reading

pb在插入ole控件时发生崩溃

2024 年 11 月 17 日2024 年 11 月 17 日admin

pb在插入ole控件时发生ide崩溃: 之前有很多人提供线索是阿里的控件冲突。按照网上直接给的命令执行则报错。 […]

Continue Reading

利用WebBrowser自动填写网页上的表单

2024 年 11 月 17 日2024 年 11 月 17 日admin

转载 fm https://blog.csdn.net/fengshielick/article/d […]

Continue Reading

华为音乐APP提示网络忙无法连接

2024 年 11 月 17 日2024 年 11 月 17 日admin

发现用的好好的华为音乐app最近几天无法检索了。 提示:网络忙无法连接。 这不是一个很不明确的提示,也是一个不 […]

Continue Reading

PaperBack:如何在一张A4纸上存储数据

2024 年 11 月 17 日2024 年 11 月 17 日admin

从这里来: https://blog.csdn.net/fenfeiqinjian/article/detai […]

Continue Reading

PB用虚拟打印机导出PDF的问题

2024 年 11 月 17 日2024 年 11 月 17 日admin

今天遇到一个bug。win7中使用dopdf v7可以导出pdf而在win10中不起作用。 研究程序,原来的程 […]

Continue Reading

PB修改源码时报错:C0176: Badly ordered TYPE and VARIABLE declarations. Is this modified exported source?

2024 年 11 月 17 日2024 年 11 月 17 日admin

当出现继承关系,比如 祖先:w_master 子孙:w_child 继承自w_master 当w_child写 […]

Continue Reading

Mysql FUNCTION not exists的原因

2024 年 11 月 17 日2024 年 11 月 17 日admin

今天调试一个pb+mysql的程序遇到问题,就是 select count ( 1 ) from table_ […]

Continue Reading

请问对于Datawindow对象有什么好的加密措施

2024 年 11 月 16 日2024 年 11 月 16 日admin

目前的PB混淆加密大师(下载测试版:www.mis2erp.com) 并不对PBD里面的dw进行加密,因为这是 […]

Continue Reading

格志AK890打印驱动安装

2024 年 11 月 16 日2024 年 11 月 16 日admin

安装这个打印机后,默认没有用于发票打印的驱动。 需要手工添加打印机,选择厂家,选择“打印机专用驱动N” 但是测 […]

Continue Reading

SQL2008R2 截断日志否则无法收缩数据库

2024 年 11 月 16 日2024 年 11 月 16 日admin

USE [master]GOALTER DATABASE FE_BASE5 SET RECOVERY SIMP […]

Continue Reading

当SQLCA全局对象不使用时如何妥善处理避免误引用

2024 年 11 月 16 日2024 年 11 月 16 日admin

当我们有多个连接到数据库时,可能默认的链接不用sqlca。默认它还是存在,而且当我们写内嵌sql时,不用usi […]

Continue Reading

问如何防止PBD文件被替换

2024 年 11 月 16 日2024 年 11 月 16 日admin

有客户问到混淆加密后的文件应如何防止PBD被替换 其实和DLL被替换是一个道理。 1)首先确保pbd用PB混淆 […]

Continue Reading

改了服务器密码后无法启动SQL server Agent

2024 年 11 月 16 日2024 年 11 月 16 日admin

修改了管理员密码后,agent无法启动,提示这个 1)在电脑右键》管理》服务》sql server代 […]

Continue Reading

如何在PB中声明这个结构体中的变量[MarshalAs(UnmanagedType.ByValTStr, SizeConst = 16)]

2024 年 11 月 16 日2024 年 11 月 16 日admin

有个dll是给了c#的例子 struct xxx{[MarshalAs(UnmanagedType.ByVal […]

Continue Reading

如何查找单据编号中不连续的号码而加以利用

2024 年 11 月 16 日2024 年 11 月 16 日admin

我们的单据通常是连续的。比如:PUR2019090001,PUR2019090002,PUR201909000 […]

Continue Reading

如何快速显示和隐藏一个grid风格的datawindow的栏位

2024 年 11 月 16 日2024 年 11 月 16 日admin

我们在多种单据一起显示时,可能根据单据类型会显示和隐藏某些栏位。如果我们隐藏后再显示,会出现那个栏位跑到最后面 […]

Continue Reading

关于清除103153.com IE浏览器劫持

2024 年 11 月 16 日2024 年 11 月 16 日admin

克隆系统最容易带这个网址主页了。 去注册表搜索所有的103153关键字完全删除并重启即可。

Continue Reading

云服务器日志4625登录验证失败

2024 年 11 月 16 日2024 年 11 月 16 日admin

最近云服务器出现这个日志错误,查了资料是有外部尝试不断登录。设置安全组合防火墙都不起作用。 找到一篇文章找下图 […]

Continue Reading

pb反编译研究(转

2024 年 11 月 16 日2024 年 11 月 16 日admin

原文:http://itmed.blog.sohu.com/93681921.html api hook可以看 […]

Continue Reading

如何编程导入*.srw(转)

2024 年 11 月 16 日2024 年 11 月 16 日admin

原文:http://itmed.blog.sohu.com/93682685.html 如何编程导入*.srw […]

Continue Reading

PBD加密专家(pb混淆加密大师)(pb obfuscator) 最新说明书

2024 年 11 月 16 日2024 年 11 月 16 日admin

WHAT’S NEW? 授权服务器改为虚拟空间+云服务器混合,响应更快,更冗余,更稳定。已连续6年,故障中断时 […]

Continue Reading

pb反编译工具 常见问题集

2024 年 11 月 16 日2024 年 11 月 16 日admin

如何使用PB反编译工具? Step1:open file 第一步:开启文件 Step2:Export PBL […]

Continue Reading

PowerBuilder反编译,PowerBuilder 反编译

2024 年 11 月 16 日2024 年 11 月 16 日admin

原文:https://www.cnblogs.com/wintersun/p/3320296.html 近需要 […]

Continue Reading

PBD加密专家 实例下载

2024 年 11 月 16 日2024 年 11 月 16 日admin

PBD加密专家实例! (PB加密专家/PBD加密专家) PBD加密专家说明: 能对抗目前反编译工具反编译, 能 […]

Continue Reading

防止被反编译获取源码,PB加密,PBD加密,杜绝PB程序反编译 下载

2024 年 11 月 16 日2024 年 11 月 16 日admin

1). 对Powerbuilder编译出来的PBD, DLL, EXE, 文件混淆加密,支持版本: 5,6.5 […]

Continue Reading

PB反编译专家 PB Decompiler V2020.01.21 支持PB5.0到2019全部版本

2024 年 11 月 16 日2024 年 11 月 16 日admin

PB反编译专家 PB反编译大师 PB Decompiler V2020.01.21 支持PB5.0到2019全 […]

Continue Reading

Mysql在导入时遇到DETERMINISTIC, NO SQL 和 READS SQL DATA问题

2024 年 11 月 16 日2024 年 11 月 16 日admin

DETERMINISTIC, NO SQL 和 READS SQL DATA 原以为是版本或者工具问题,搜一下 […]

Continue Reading

pbd反编译

2024 年 11 月 16 日2024 年 11 月 16 日admin

今天更新了版本 PB DeCompiler_V2020.01.21_Standard Online http: […]

Continue Reading

pb反编译之pbdviewer

2024 年 11 月 16 日2024 年 11 月 16 日admin

一个新的工具,我记得之前还有个国外的pbspy也是做成半成品就收工了。 这个产品也是一个半成品,据测试目前能显 […]

Continue Reading

如何把可执行文件打包成一个exe

2024 年 11 月 16 日2024 年 11 月 16 日admin

最近看到项目发行时文件有点多,想把文件打包一下,搜索了一下,有molebox,Enigma Virtual B […]

Continue Reading

pbkiller,PBKILLER

2024 年 11 月 16 日2024 年 11 月 16 日admin

需要的从这里下载  https://download.csdn.net/download/cheng […]

Continue Reading

反编译pbd文件中的dw,利用pb本身的功能

2024 年 11 月 16 日2024 年 11 月 16 日admin

来源:https://blog.csdn.net/yudehui/article/details/803151 […]

Continue Reading

反编译 PB反编译 2020 PB反编译大师

2024 年 11 月 16 日2024 年 11 月 16 日admin

1). 反编译powerbuilder编译后的pbd文件,支持版本5,6.5,7,8,9,10,10.5,11 […]

Continue Reading

PowerShield (软件加壳工具) PB混淆加密大师

2024 年 11 月 16 日2024 年 11 月 16 日admin

PB如何防反编译? 用PBKiller.exe 能看到pb编译出来pbd和dll里面完整的代码. 试试PB防反 […]

Continue Reading

鼻炎治疗的经过和总结

2024 年 11 月 16 日2024 年 11 月 16 日admin

我有鼻炎,之前有吸烟,而且经常感冒,现在身体素质好了一些,烟也戒掉了,鼻炎缓解了。冬天下雪天不戴口罩也不会鼻塞 […]

Continue Reading

PHP判断搜索引擎蜘蛛还是普通用户的访问

2024 年 11 月 16 日2024 年 11 月 16 日admin

来自:https://www.jb51.net/article/72211.htm 1、推荐的一种方法:php […]

Continue Reading

PHP检测客户端用户语言函数

2024 年 11 月 16 日2024 年 11 月 16 日admin

转自网络:function get_client_language($availableLanguages, […]

Continue Reading

关于PB项目过大编译时间过长的解决方法

2024 年 11 月 16 日2024 年 11 月 16 日admin

关于PB项目过大编译时间过长的解决方法 1.除框架和公共函数之外其它库(pbl)相对独立没有继承依赖关系 2. […]

Continue Reading

PHP如何识别系统语言或浏览器语言

2024 年 11 月 16 日2024 年 11 月 16 日admin

preg_match(‘/^([a-z\-]+)/i’, $_SERVER[‘HTTP_ACCEPT_LANG […]

Continue Reading

PB的DataWindow的38个技巧

2024 年 11 月 16 日2024 年 11 月 16 日admin

转载自: https://blog.csdn.net/ClearLoveQ/article/details/8 […]

Continue Reading

鼻炎的自我疗法【实用总结】

2024 年 11 月 16 日2024 年 11 月 16 日admin

转自:https://www.douban.com/note/581585175/ 本人之前也是有点鼻炎,小孩 […]

Continue Reading

文章导航

较旧文章

近期文章

  • 汽车音频滤波器,消除环路噪声
  • 吊灯led灯珠修好很容易坏的处理
  • 灯带维修的总结
  • 热水袋热敷是一个很好的保健
  • 测试室内电磁干扰

近期评论

您尚未收到任何评论。
| Theme: News Portal by Mystery Themes.
  • PB反编译与PB加密
    • PB反编译大师,PB混淆加密大师详情页
    • Powerbuilder反编译/PB反编译
    • Powerbuilder混淆加密/PB混淆加密
    • PB datawindow连云服务器组件【Powerbuilder DatawindowHttp组件】
    • PB云主机数据库连接控件【Powerbuilder CloudDriver】
  • 数据库
    • 数据库教程
    • MSSQL
    • ORACLE
    • MYSQL/MariaDB
    • POSTGRESQL
  • 编程语言
    • Powerbuilder
    • C/C++/C#/C++Builder
    • HTML与CSS
    • JavaScript
    • PHP/Apache/Nginx
    • PYTHON
  • 电脑网络
    • 操作系统
    • 网络
    • 软件
    • 网站
  • 电子技术
    • AD画图
    • Multisim,Proteus,Filter solution,RFSIM,Smith,ADS,AWR,CST仿真
    • 射频滤波,巴伦,天调,阻抗转换
    • 射频信号源
    • 射频LNA
    • 射频功放
    • 无源天线、有源天线
    • 收音机与收发信机
    • 电子管
    • 电脑/家电/电源
    • 运放
    • 音频
    • 基础,器件,仪器
  • 科技科普
    • 物理
    • 声音
    • 钟表
    • 激光
    • 电类
    • 动物
    • 电学
  • 生活
    • 经济与投资
    • 家庭维修
    • 健康与锻炼
    • 童年玩具
  • 联系我
  • 动态网页(可搜索)